Patriot REMEZA СБ 4/Ф-500 LT 100 520306375 - Инструкция по эксплуатации

Patriot REMEZA СБ 4/Ф-500 LT 100 520306375

Компрессор Patriot REMEZA СБ 4/Ф-500 LT 100 520306375 - инструкция пользователя по применению, эксплуатации и установке на русском языке. Мы надеемся, она поможет вам решить возникшие у вас вопросы при эксплуатации техники.

Если остались дополнительные вопросы — свяжитесь с нами через контактную форму.

1 Страница 1
2 Страница 2
3 Страница 3
4 Страница 4
5 Страница 5
6 Страница 6
7 Страница 7
8 Страница 8
9 Страница 9
10 Страница 10
11 Страница 11
12 Страница 12
13 Страница 13
14 Страница 14
15 Страница 15
16 Страница 16
17 Страница 17
18 Страница 18
19 Страница 19
20 Страница 20
21 Страница 21
22 Страница 22
23 Страница 23
24 Страница 24
25 Страница 25
26 Страница 26
27 Страница 27
28 Страница 28
29 Страница 29
30 Страница 30
Страница: / 30

Содержание:

  • Страница 4 – Указание мер безопасности
  • Страница 9 – Амортизатор
  • Страница 11 – Первый пуск
  • Страница 13 – Общий вид компрессоров; Общий вид компрессора СБ4/Ф
  • Страница 17 – ПРЕДУПРЕЖДЕНИЕ! КОМПРЕССОРНОЕ МАСЛО МОЖЕТ БЫТЬ ОЧЕНЬ
  • Страница 18 – Kompres; блока
  • Страница 19 – Проверка всасывающего воздушного фильтра (фильтрующего
  • Страница 22 – Возможные неисправности и способы их устранения; Таблица; Наименование
  • Страница 23 – Гарантии изготовителя
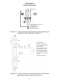
  • Страница 27 – Схема электрическая принципиальная
  • Страница 28 – Журнал учета проведения обслуживания
  • Страница 29 – Гарантийный талон; ремонт компрессорного оборудования; Уважаемый покупатель!; При осуществлении акта купли-продажи руководствоваться общими
Загрузка инструкции


УСТАНОВКА

КОМПРЕССОРНАЯ



СБ

4/

Ф

-500.LT100

СБ

4/

Ф

-500.LT100/16

СБ

4/

Ф

-500.LT100-11,0

СБ

4/

Ф

-500.LT100/16-7,5

РУКОВОДСТВО ПО ЭКСПЛУАТАЦИИ


Свидетельство о приемке и упаковывании

Установка компрессорная укомплектована ресивером _________ л. зав. № ________________________ ,

электродвигателем _________________________________

зав. № _________________________________ ;

арматура, контрольно

-

измерительные приборы, предохранительные устройства соответствуют разделу 12;

в состоянии поставки установка компрессорная

заправлена маслом марки ____________________________________________________;

соответствует требованиям технической документации и признана годной к эксплуатации.

Упаковку произвёл _________________________

Дата выпуска

"_____"_________________ 20 г.

Отметка ОТК ________________________ М.П.

ИЗГОТОВИТЕЛЬ ЗАО "РЕМЕЗА

"

Республика Беларусь, 247672, г. Рогачев,

ул. Пушкина, д. 62, тел/факс (02339) 3

-

43

-20,

тел. (02339) 3

-

43

-

94, 3

-

94

-74

http://www

.

remeza

.

com



ISO 9001:2008

4383004400

Изм.22-03.2016

"Загрузка инструкции" означает, что нужно подождать пока файл загрузится и можно будет его читать онлайн. Некоторые инструкции очень большие и время их появления зависит от вашей скорости интернета.

Краткое содержание

Страница 4 - Указание мер безопасности

4 3 Указание мер безопасности 3.1 Предупреждающие знаки на компрессоре должны постоянно поддерживаться в читаемом состоянии. Знаки имеют следующее значение: Осторожно! Электрическое напряжение Осторожно! Высокая температура Осторожно! Находится под давлением Обслуживающий персонал должен прочитать п...

Страница 9 - Амортизатор

9 ЗАПРЕЩАЕТСЯ: ЭКСПЛУАТАЦИЯ КОМПРЕССОРА ПОД ВОЗДЕЙСТВИЕМ АТМОСФЕРНЫХ ОСАДКОВ! 6.3.1 Габаритные размеры компрессора указаны в таблице 2. 6.3.2 В помещении, где расположен компрессор, необходимо обеспечить хорошую вентиляцию (проветривание), следя за тем, чтобы температура окружающего воздуха поддержи...

Страница 11 - Первый пуск

11 3 Включите вводной выключатель, если подсоединение было выполнено через него. 4 Включите компрессор выключателем на прессостате и сразу же выключите. Для этого необходимо переключить выключатель в положение "AUTO " и сразу же переключить назад в положение " OFF". O F F ( В Ы К Л ....

Характеристики

Другие модели - Компрессоры Patriot

Все компрессоры Patriot