Patriot PT-R 15 - Инструкция по эксплуатации

Patriot PT-R 15

Тепловая пушка Patriot PT-R 15 - инструкция пользователя по применению, эксплуатации и установке на русском языке. Мы надеемся, она поможет вам решить возникшие у вас вопросы при эксплуатации техники.

Если остались дополнительные вопросы — свяжитесь с нами через контактную форму.

1 Страница 1
2 Страница 2
3 Страница 3
4 Страница 4
5 Страница 5
6 Страница 6
7 Страница 7
8 Страница 8
9 Страница 9
10 Страница 10
11 Страница 11
12 Страница 12
13 Страница 13
14 Страница 14
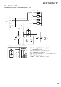
15 Страница 15
16 Страница 16
17 Страница 17
Страница: / 17
Загрузка инструкции

РУКОВОДСТВО ПО ЭКСПЛУАТАЦИИ

PT

-

R15;

PT

-

R24;

PT

-

R30

ТЕПЛОВЕНТИЛЯТОР

www.onlypatriot.com

24

"Загрузка инструкции" означает, что нужно подождать пока файл загрузится и можно будет его читать онлайн. Некоторые инструкции очень большие и время их появления зависит от вашей скорости интернета.

Характеристики

Другие модели - Тепловые пушки Patriot

Все тепловые пушки Patriot