Патон ВДИ-200E (49395) - Инструкция по эксплуатации

Патон ВДИ-200E (49395)

Сварочное оборудование Патон ВДИ-200E (49395) - инструкция пользователя по применению, эксплуатации и установке на русском языке. Мы надеемся, она поможет вам решить возникшие у вас вопросы при эксплуатации техники.

Если остались дополнительные вопросы — свяжитесь с нами через контактную форму.

1 Страница 1
2 Страница 2
3 Страница 3
4 Страница 4
5 Страница 5
6 Страница 6
7 Страница 7
8 Страница 8
9 Страница 9
10 Страница 10
11 Страница 11
12 Страница 12
13 Страница 13
14 Страница 14
15 Страница 15
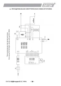
16 Страница 16
17 Страница 17
Страница: / 17

Содержание:

  • Страница 2 – СОДЕРЖАНИЕ
  • Страница 3 – Подсоединение к силовой сети/силовому щиту
  • Страница 5 – ПАРАМЕТРЫ; Eco
  • Страница 9 – ВНИМАНИЕ! После того как сетевой выключатель
  • Страница 11 – При работе; легкопл
  • Страница 12 – Параметры; Пределы изменения напряжения сети, В
  • Страница 14 – ПРАВИЛА ТЕХНИКИ БЕЗОПАСНОСТИ
  • Страница 17 – . ГАРАНТИЙНЫЕ ОБЯЗАТЕЛЬСТВА; ВНИМАНИЕ
Загрузка инструкции

- 1 -

ПАТОН

ВДИ-серия E

DC MMA





ПАСПОРТ и Инструкция по эксплуатации

Инверторные выпрямители ПАТОН

ВДИ

-160E

ВДИ

-200E

ВДИ

-250E

"Загрузка инструкции" означает, что нужно подождать пока файл загрузится и можно будет его читать онлайн. Некоторые инструкции очень большие и время их появления зависит от вашей скорости интернета.

Краткое содержание

Страница 2 - СОДЕРЖАНИЕ

ПАТОН ВДИ-серия E DC MMA - 2 - СОДЕРЖАНИЕ 1. Общие положения 4 2. Ввод в эксплуатацию 7 2.1. Использование согласно назначению 7 2.2. Требования к размещению 7 2.3. Подключение к сети 8 2.4. Подключение сетевого штекера 8 3. Сварка штучными электродами (РДС «MMA») 8 3.1. Функция Горячий Старт «Hot -...

Страница 3 - Подсоединение к силовой сети/силовому щиту

- 3 - ПАТОН ВДИ-серия E DC MMA Подсоединение к силовой сети/силовому щиту (при 25ºС) : ВНИМАНИЕ! Учитывайте провода проведённые в стенах и другие удлинители ! Используемый электрод Установленное значение тока Сечение сетевого провода, кв. мм Максимальная длина провода, м Ф 2 мм не более 80А 1,0 120 ...

Страница 5 - ПАРАМЕТРЫ; Eco

- 5 - ПАТОН ВДИ-серия E DC MMA ПАРАМЕТРЫ ВДИ – 160E ВДИ – 200E ВДИ – 250E Номинальное напряжение питающей сети 50Гц, В 220 220 220 Номинальный потребляемый ток из сети, А 20 25 32 Номинальный сварочный ток, А 160 200 250 Максимальный действующий ток, А 190 240 300 Продолжительность нагрузки (ПН) 40 ...

Характеристики