Осушители воздуха NeoClima ND-30AEB - инструкция пользователя по применению, эксплуатации и установке на русском языке. Мы надеемся, она поможет вам решить возникшие у вас вопросы при эксплуатации техники.
Если остались вопросы, задайте их в комментариях после инструкции.
"Загружаем инструкцию", означает, что нужно подождать пока файл загрузится и можно будет его читать онлайн. Некоторые инструкции очень большие и время их появления зависит от вашей скорости интернета.
Загружаем инструкцию

20
19
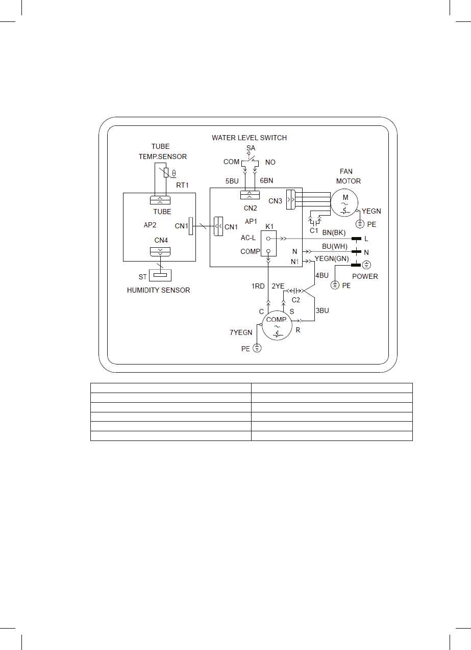
Схема электропитания
Tube temperature sensor
Датчик температуры трубки
Water level switch
Датчик уровня воды
Fan motor
Двигатель вентилятора
Tube
Трубка
Humidity sensor
Датчик влажности
Power
Электричество
Содержание
- 4 Меры безопасности
- 5 Рабочая область; Correct
- 6 Название компонентов
- 7 Проверка перед использованием; Float
- 8 Порядок эксплуатации; Примечания
- 9 Основные функции кнопок
- 10 Другие инструкции; Индикатор «Резервуар полон»; резервуар отсутствует или неправильно установлен.; Аварийный сигнал; или неправильно установлен.; Автоматическая разморозка; работать до удаления льда.; Сбой питания; сохранением последних настроек.
- 11 Слив конденсата; Первый метод: Слив конденсата с использованием резервуара.; остановки. Это может вызвать протекание воды.
- 12 Второй метод: Слив конденсата с использованием сливного шланга; Drainage joint; Drainage pipe
- 14 Обслуживание и очистка; электрическим током.; Решетка и корпус; Используйте пылесобиратель или щетку.; Резервуар для воды; бактерий. Почистите резервуар мягкой щеткой, а затем ополосните.
- 15 Воздушный фильтр
- 17 Устранение неполадок
- 18 Осушитель воздуха не сушит воздух так, как надо
- 19 Коды неполадок
- 20 Схема электропитания
- 21 Сертификация продукции; Соответствует требованиям
- 22 ГАРАНТИЯ





