Осушители воздуха NeoClima ND 120 - инструкция пользователя по применению, эксплуатации и установке на русском языке. Мы надеемся, она поможет вам решить возникшие у вас вопросы при эксплуатации техники.
Если остались вопросы, задайте их в комментариях после инструкции.
"Загружаем инструкцию", означает, что нужно подождать пока файл загрузится и можно будет его читать онлайн. Некоторые инструкции очень большие и время их появления зависит от вашей скорости интернета.

10
11
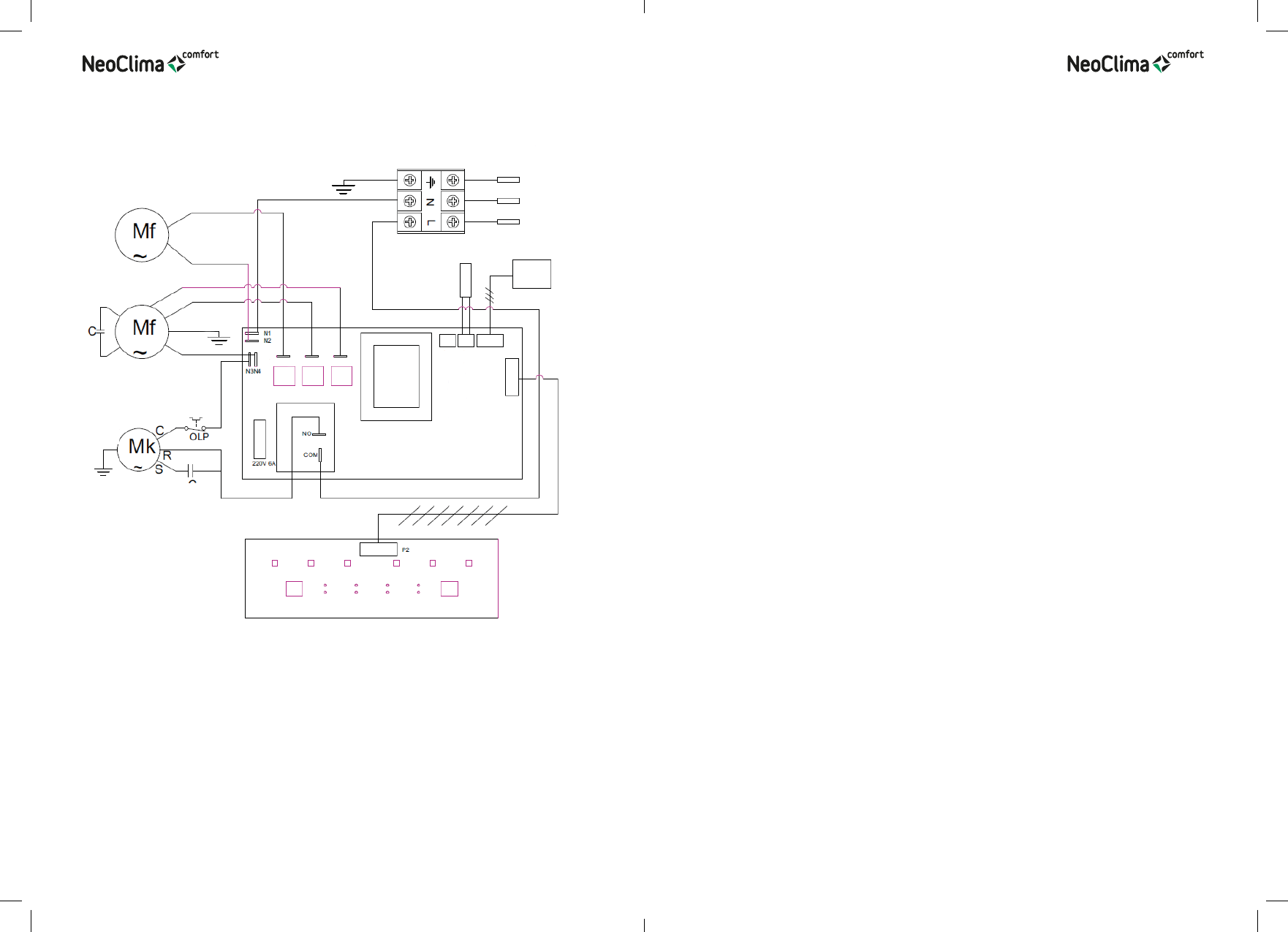
Электрическая схема
~220 В, 50 Гц
Желто-зеленый
Датчик температуры/ влажности
Датчик разморозки
Темпера
тура
Да
тчик запо
лнения
во
дой
Элемент разморозки
Двигатель вентилятора
Двигатель лопасти
Желто-
зеленый
Компрессор
Желто-зеленый
Дезинфекция Выс. ск. вент. Низк. ск. вент.
ПРАВИЛА ХРАНЕНИЯ.
Для поддержания работоспособности устройства перед длительным простоем
рекомендуется выполнять следующие операции.
• Отсоедините от электросети.
• Очистите и оберните прибор, чтобы защитить его от пыли.
• Закрепите шнур на задней панели стяжкой. При наличии в пазу фиксатора вставьте в него
вилку шнура,
а если фиксатора нет – стяните шнур стяжкой так, чтобы вилка фиксации не требовала.
ПРАВИЛА ПЕРЕВОЗКИ.
• Отсоедините от электросети.
• Очистите и оберните прибор, чтобы защитить его от пыли.
• Закрепите шнур на задней панели стяжкой. При наличии в пазу фиксатора вставьте в него
вилку шнура,
а если фиксатора нет – стяните шнур стяжкой так, чтобы вилка фиксации не требовала.
ПРАВИЛА УТИЛИЗАЦИИ.
По истечению срока службы прибор должен подвергаться утилизации в соответствии
с нормами, правилами и способами, действующими в месте утилизации.
ПРАВИЛА РЕАЛИЗАЦИИ.
Правила реализации товара должны соответствовать Постановлению Правительства РФ
от 19.01.1998 N 55 (ред. от 22.06.2016) “Об утверждении Правил продажи отдельных видов
товаров, перечня товаров длительного пользования, на которые не распространяется
требование покупателя о безвозмездном предоставлении ему на период ремонта или
замены аналогичного товара, и перечня непродовольственных товаров надлежащего
качества, не подлежащих возврату или обмену на аналогичный товар других размера,
формы, габарита, фасона, расцветки или комплектации”
ИМПОРТЕР:
ООО «ТОР» 121170 Россия, Москва, ул. Кульнева 3, строение 1
ИЗГОТОВИТЕЛЬ:
НИНБО ШИМАОТОНГ ИНТЕРНЭШНЛ КО., ЛТД
NINGBO SHIMAOTONG INTERNATIONAL CO., LTD
СДЕЛАНО В КНР.
Дата производства: См. на устройстве.
СЕРТИФИКАЦИЯ ПРОДУКЦИИ
Товар сертифицирован на территории Таможенного союза
Товар соответствует требованиям:
ТР ТС 004/2011 «О безопасности низковольтного оборудования»,
ТР ТС 020/2011 «Электромагнитная совместимость технических средств»
Данная схема - это типовая электрическая схема, она может быть изменена в процессе
производства.
Внимание: не пытайтесь разобрать внешний блок или внутренние части, если вы не являе-
тесь техническим специалистом.





