Осушители воздуха Cooper&Hunter CH-D010WD2-24LD - инструкция пользователя по применению, эксплуатации и установке на русском языке. Мы надеемся, она поможет вам решить возникшие у вас вопросы при эксплуатации техники.
Если остались вопросы, задайте их в комментариях после инструкции.
"Загружаем инструкцию", означает, что нужно подождать пока файл загрузится и можно будет его читать онлайн. Некоторые инструкции очень большие и время их появления зависит от вашей скорости интернета.

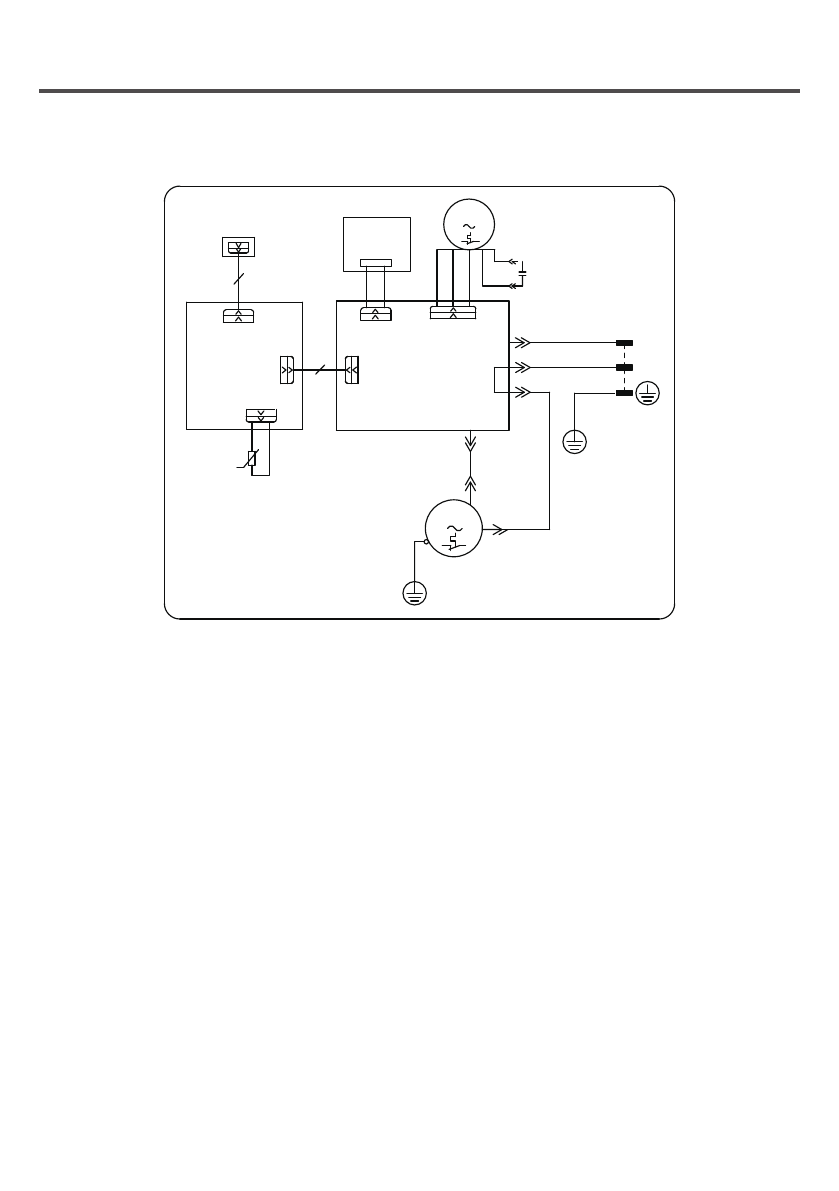
Електрична схема
Електрична схема може бути змінена без попередження.
Звертайте увагу на ту, яка знаходитися на виробі.
10
PE
AP1
DISP
AP2
TUBE
DISP
BN(BK)
BU(WH)
TEMP.SENSOR
TUBE
BU
POWER
RT1
L
N
RD
AC-L
N
FAN
COMP
TEMP/HUM
CN5
YEGN(GN)
θ
MAIN BOARD
DISPLAY
BOARD
HUMIDITY SENSOR
ST
COMP
PE
YEGN
C
2
COMP.
SWITCH
PROXIMITY
C1
M1
MOTOR
FAN
BN
RD
Характеристики
Остались вопросы?Не нашли свой ответ в руководстве или возникли другие проблемы? Задайте свой вопрос в форме ниже с подробным описанием вашей ситуации, чтобы другие люди и специалисты смогли дать на него ответ. Если вы знаете как решить проблему другого человека, пожалуйста, подскажите ему :)