Обогреватели ЗУБР Профессионал 9 кВт ТП-П9 - инструкция пользователя по применению, эксплуатации и установке на русском языке. Мы надеемся, она поможет вам решить возникшие у вас вопросы при эксплуатации техники.
Если остались вопросы, задайте их в комментариях после инструкции.
"Загружаем инструкцию", означает, что нужно подождать пока файл загрузится и можно будет его читать онлайн. Некоторые инструкции очень большие и время их появления зависит от вашей скорости интернета.

Руководство по эксплуатации
www.zubr.ru
|
18
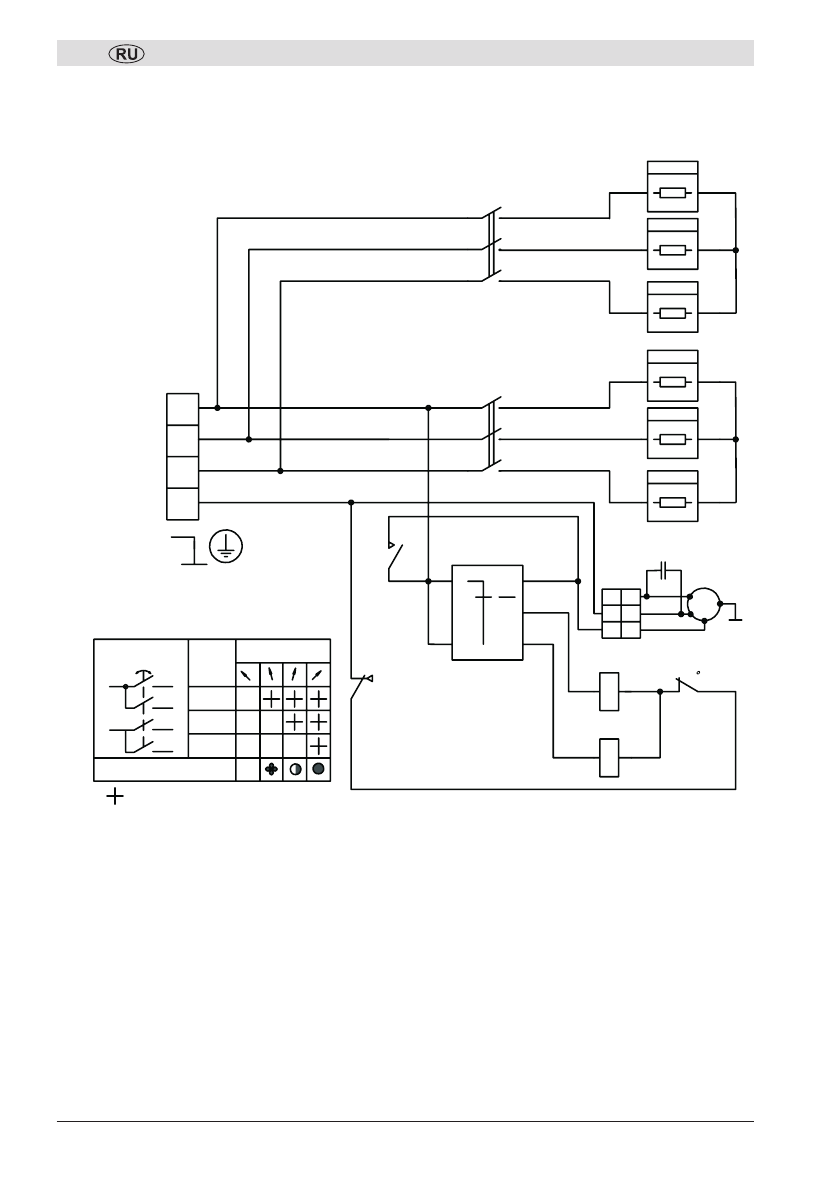
EK4
EK5
EK6
KM1.2
B
SA1
4
1
2
3
KM1.1
1L1
2T1
3L2
4T2
5L3
6T3
PE
L2
3NPE,
~50Ãö
380Â
SK2
T
À1
À2
L1
L3
N
SK1
SK3
KM2.1
À1
À2
KM2.2
2T1
4T2
5L3
3L2
1L1
6T3
1
2
3
4
XT1
M1
ÕÒ2
1 1
2 2
3 3
Ñ1
EK1
EK2
EK3
ç-æ
Òàáëèöà çàìûêàíèé êîíòàêòîâ
ïåðåêëþ÷àòåëÿ SA1
A
ïåðåêëþ÷àòåëÿ
3
1
2
êîíòàêòîâ
Ïîëîæåíèÿ ëûñêè
B - 3
A - 2
A - 1
Íîìåðà
Ðåæèìû ðàáîòû
Îòêë.
B
À
êîðè÷íåâûé
÷åðíûé
ñèíèé
ÒÏ-24,30
" "
" " - êîíòàêò çàìêíóò
Содержание
- 3 Модельный ряд; Установка опоры на изделие
- 5 Технические характеристики; Артикул; Назначение; Подготовка к работе; Подключение изделия к электросети
- 6 Порядок работы; Включение и выключение изделия; «Выкл»; Использование капиллярного; Техническое
- 8 Гарантийные; Базовая гарантия
- 9 ВОЗМОЖНЫЕ НЕИСПРАВНОСТИ И МЕТОДЫ ИХ УСТРАНЕНИЯ; Неисправность; Схемы













