Обогреватели ЗУБР Компакт ЗТП-М1-5000 - инструкция пользователя по применению, эксплуатации и установке на русском языке. Мы надеемся, она поможет вам решить возникшие у вас вопросы при эксплуатации техники.
Если остались вопросы, задайте их в комментариях после инструкции.
"Загружаем инструкцию", означает, что нужно подождать пока файл загрузится и можно будет его читать онлайн. Некоторые инструкции очень большие и время их появления зависит от вашей скорости интернета.

www.zubr.ru
Для заметок
|
13
Руководство по эксплуатации
www.zubr.ru
|
12
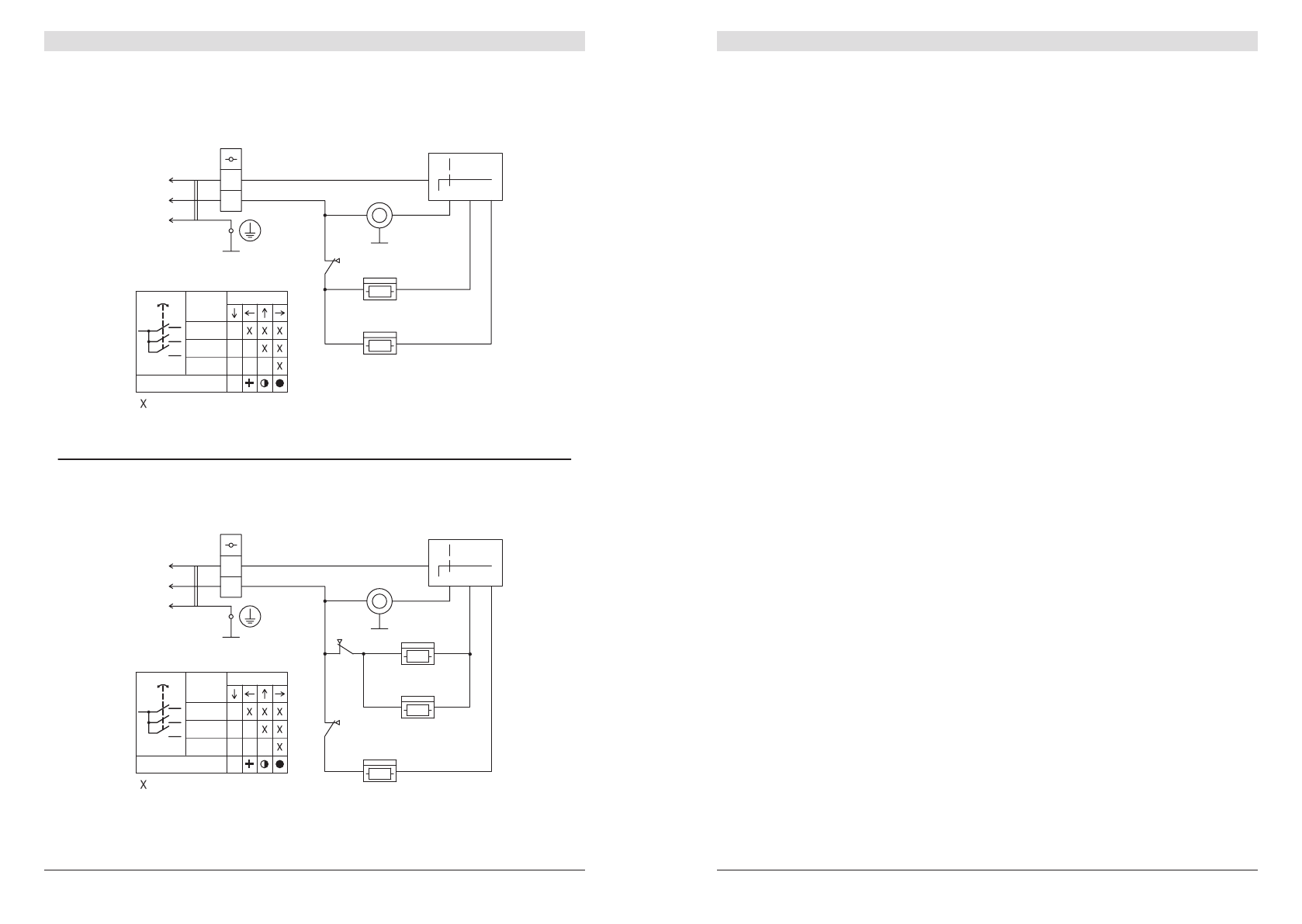
Схема электрическая тепловентилятора ЗТП-М1-2000, ЗТП-М1-3000
XT1
M1
EK1
EK2
SA1
SA1
1a
X1
L
N
PE
~220
B
1
2
1
2
3
4
1a - 1
Режимы работы
Положение
Контакты
Откл.
Таблица замыканий контактов
переключателя SA1
1
2
3
1a - 2
1a - 3
1a
– контакт замкнут
" "
Схема электрическая тепловентилятора ЗТП-М1-5000
XT1
M1
EK1
EK3
SA2
SA1
SA1
1a
X1
L
N
PE
~220
B
1
2
1
2
3
4
EK1
1a - 1
Режимы работы
Положение
Контакты
Откл.
Таблица замыканий контактов
переключателя SA1
1
2
3
1a - 2
1a - 3
1a
– контакт замкнут
" "













