Обогреватели ZILON ZTV-9C - инструкция пользователя по применению, эксплуатации и установке на русском языке. Мы надеемся, она поможет вам решить возникшие у вас вопросы при эксплуатации техники.
Если остались вопросы, задайте их в комментариях после инструкции.
"Загружаем инструкцию", означает, что нужно подождать пока файл загрузится и можно будет его читать онлайн. Некоторые инструкции очень большие и время их появления зависит от вашей скорости интернета.

12
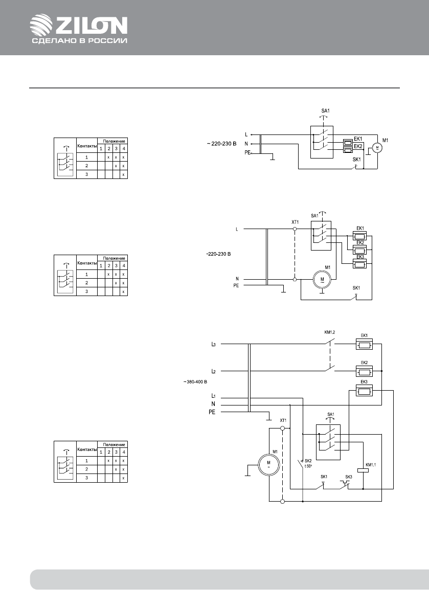
СХЕМа ЭЛЕКТРИЧЕСКаЯ ZTV-5C
СХЕМа ЭЛЕКТРИЧЕСКаЯ ZTV-6C, ZTV-9С
ЕК1, ЕК2, ЕК3 - электронагреватель;
М1 - электродвигатель;
SA1 - переключатель режимов работы;
SK1 - защитный термостат;
ХТ1 - клеммная колодка.
ЕК1, ЕК2, ЕК3 - электронагреватель;
М1 - электродвигатель;
КМ1 - электромагнитное реле;
SA1 - переключатель режимов работы;
SK1 - защитный термостат;
SK2- термоcтат задержки выключения
электродвигателя;
SK3- терморегулятор;
ХТ1 - клеммная колодка.
15. приложение
СХЕМа ЭЛЕКТРИЧЕСКаЯ ZTV-3C
Схема комму тации переключателя
Схема комму тации переключателя
Схема комму тации переключателя
ЕК1, ЕК2 - электронагреватель;
М1 - электродвигатель;
SA1 - переключатель режимов работы;
SK1 - защитный термостат.













