Обогреватели ZILON ZTV-9 - инструкция пользователя по применению, эксплуатации и установке на русском языке. Мы надеемся, она поможет вам решить возникшие у вас вопросы при эксплуатации техники.
Если остались вопросы, задайте их в комментариях после инструкции.
"Загружаем инструкцию", означает, что нужно подождать пока файл загрузится и можно будет его читать онлайн. Некоторые инструкции очень большие и время их появления зависит от вашей скорости интернета.

12
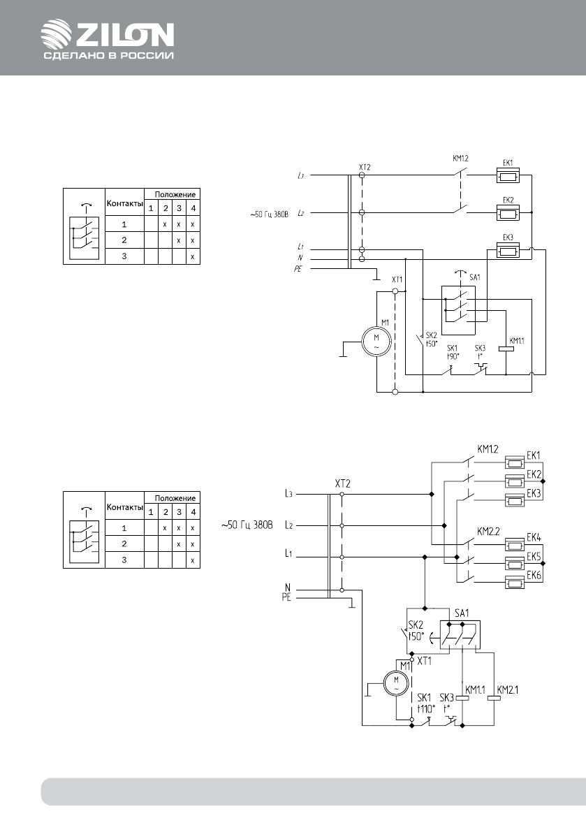
ЕК1...ЕК6 – злектронагреватели
КМ1, КМ2 – электромагнитные
пускатели
М1 – вентилятор
SA1 – перек лючатель
SK1, SK2 – термовыключатель
SK3 – термоограничитель
ХТ1 – колодка клеммная
РИС. 5. СХЕМА ЭЛЕКТРИЧЕСКАЯ ZTV-9
РИС. 6. СХЕМА ЭЛЕКТРИЧЕСКАЯ ZTV-15
ЕК1, ЕК2, ЕКЗ – электронагреватели
М1 – электродвигатель
КМ1 – электромагнитное реле
SA1 – переключатель режимов работы
SA2 – выключатель нагревателей
SK1, SK2 – термовыключателиь
SK3 – термоограничитель
ХТ1, ХТ2 – колодка клеммная
Схема комму тации переключателя
Схема комму тации переключателя













