Обогреватели ZILON ZTV-24 - инструкция пользователя по применению, эксплуатации и установке на русском языке. Мы надеемся, она поможет вам решить возникшие у вас вопросы при эксплуатации техники.
Если остались вопросы, задайте их в комментариях после инструкции.
"Загружаем инструкцию", означает, что нужно подождать пока файл загрузится и можно будет его читать онлайн. Некоторые инструкции очень большие и время их появления зависит от вашей скорости интернета.

11
13. ПРИЛОЖЕНИЕ
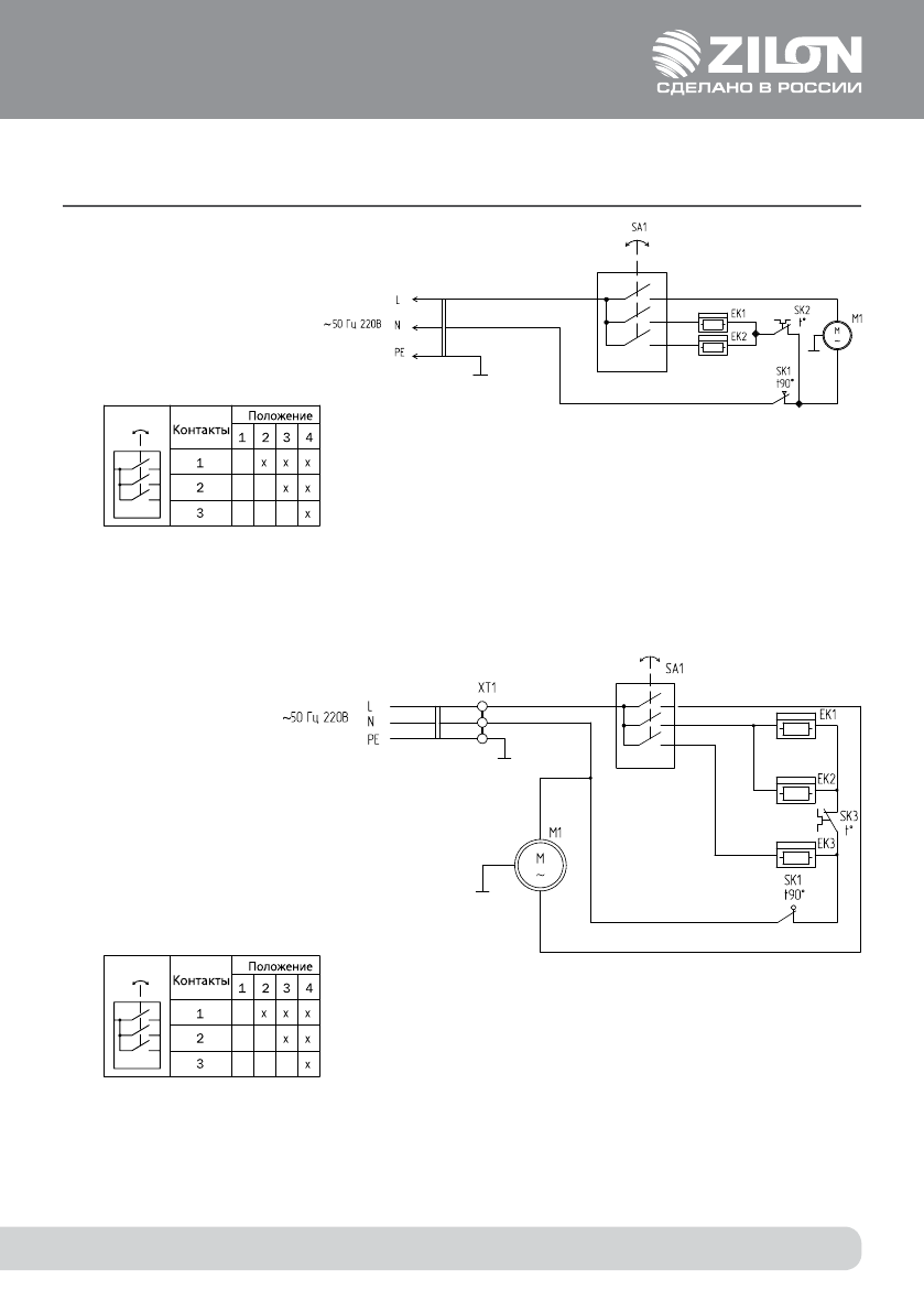
РИС. 3. СХЕМА ЭЛЕКТРИЧЕСКАЯ ZTV-3
РИС. 4. СХЕМА ЭЛЕКТРИЧЕСКАЯ ZTV-5
ЕК1, ЕК2 – электронагреватели
М1 – электродвигатель
SA1 – перек лючатель
SK1 – термовык лючатель
SK2 – термоограничитель
ЕК1, ЕК2, ЕКЗ – электронагреватели
М1 – электродвигатель
КМ1 – электромагнитное реле
SA1 – переключатель режимов работы
SK1 – термовыключатель
ХТ1, ХТ2 – колодка клеммная
Схема комму тации переключателя
Схема комму тации переключателя













