Обогреватели ZILON IR-2.0EN3 - инструкция пользователя по применению, эксплуатации и установке на русском языке. Мы надеемся, она поможет вам решить возникшие у вас вопросы при эксплуатации техники.
Если остались вопросы, задайте их в комментариях после инструкции.
"Загружаем инструкцию", означает, что нужно подождать пока файл загрузится и можно будет его читать онлайн. Некоторые инструкции очень большие и время их появления зависит от вашей скорости интернета.

13
QF1
Терморегулятор
~ 230B
L
КМ
1
PE
N
t
10
20
30
1 2
L
N
NC
С
NO
ЕК
1
ЕК
2
ЕК
3
ЕК
4
ЕК
5
ЕК
6
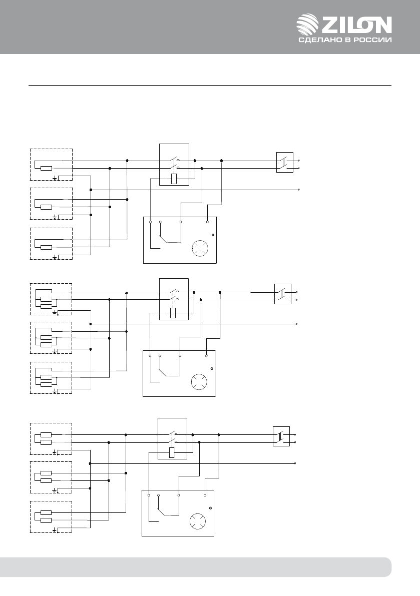
13. ПРИЛОЖЕНИЕ Б
СХЕМА ЭЛЕКТРИЧЕСКАЯ ПРИНЦИПИАЛЬНАЯ ИНФРАКРАСНЫХ ОБОГРЕВАТЕЛЕЙ
ZILON ПРИ ГРУППОВОМ ПОДКЛЮЧЕНИИ К ЭЛЕКТРИЧЕСКОЙ СЕТИ
ДЛЯ IR-0.6SN3, IR-0.8SN3, IR-1.0SN3, IR-1.4SN3, IR-1.5SN3
IR-1.5EN3, IR-1.6EN3
QF1
Терморегулятор
~ 230B
L
КМ
1
PE
N
t
10
20
30
1 2
L
N
NC
С
NO
ЕК
1
ЕК
2
ЕК
3
QF1
Терморегулятор
~ 230B
L
КМ
1
PE
N
t
10
20
30
1 2
L
N
NC
С
NO
ЕК
2
ЕК
4
ЕК
6
ЕК
1
ЕК
3
ЕК
5
EK1–EK3 - нагревательный элемент;
KM1 - пускатель магнитный;
QF1 - выключатель автоматический
ДЛЯ IR-2.0EN3, IR-3.0EN3
EK1–EK6 - нагревательный элемент;
KM1 - пускатель магнитный;
QF1 - выключатель автоматический
EK1–EK6 - нагревательный элемент;
KM1 - пускатель магнитный;
QF1 - выключатель автоматический
ПРИМЕЧАНИЕ.
Выключатель автоматический в комплект поставки не входит.
Содержание
- 2 СОДЕРЖАНИЕ
- 4 ТЕХНИЧЕСКИЕ ДАННЫЕ; ТАБЛИЦА 1; ТАБЛИЦА 2; Площадь обогрева инфракрасных обогревателей:
- 5 • снять напряжение с подводящего кабеля; ТАБЛИЦА 3
- 6 • включать обогреватели при снятых крышках.; * При длительном нахождении в зоне обогрева.; ТАБЛИЦА 4; Минимальные расстояния от прибора до других поверхностей
- 10 ТАБЛИЦА 5; ТРАНСПОРТИРОВКА И ХРАНЕНИЕ; Подключение нескольких инфракрасных обогревателей к одному
- 11 ТАБЛИЦА 6; местных органов власти.; И МЕТОДЫ ИХ УСТРАНЕНИЯ; Перечень возможных неисправностей приведен в таблице 6.; СРОК СЛУЖБЫ ИЗДЕЛИЯ
- 12 ДАТА ИЗГОТОВЛЕНИЯ; Дата изготовления указана на шильдике прибора.
- 13 Выключатель автоматический в комплект поставки не входит.
- 14 Терморегулятор; Терморегулятор
- 16 ГАРАНТИЙНЫЙ ТАЛОН; ПОЗДРАВЛЯЕМ ВАС С ПРИОБРЕТЕНИЕМ!
- 20 ГАРАНТИЙНЫЙ ТАЛОН; Печать продавца; сохраняется у покупателя; Печать установщика; на гарантийное обслуживание
- 21 РУКОВОДСТВО ПО ЭКСПЛУАТАЦИИ; ИНФРАКРАСНЫЕ ОБОГРЕВАТЕЛИ













