Обогреватели TOR BGO-30B 30 кВт 1020624 - инструкция пользователя по применению, эксплуатации и установке на русском языке. Мы надеемся, она поможет вам решить возникшие у вас вопросы при эксплуатации техники.
Если остались вопросы, задайте их в комментариях после инструкции.
"Загружаем инструкцию", означает, что нужно подождать пока файл загрузится и можно будет его читать онлайн. Некоторые инструкции очень большие и время их появления зависит от вашей скорости интернета.
Загружаем инструкцию

ТЕПЛОВЫЕ ПУШКИ
BGO-30B BGO-30B
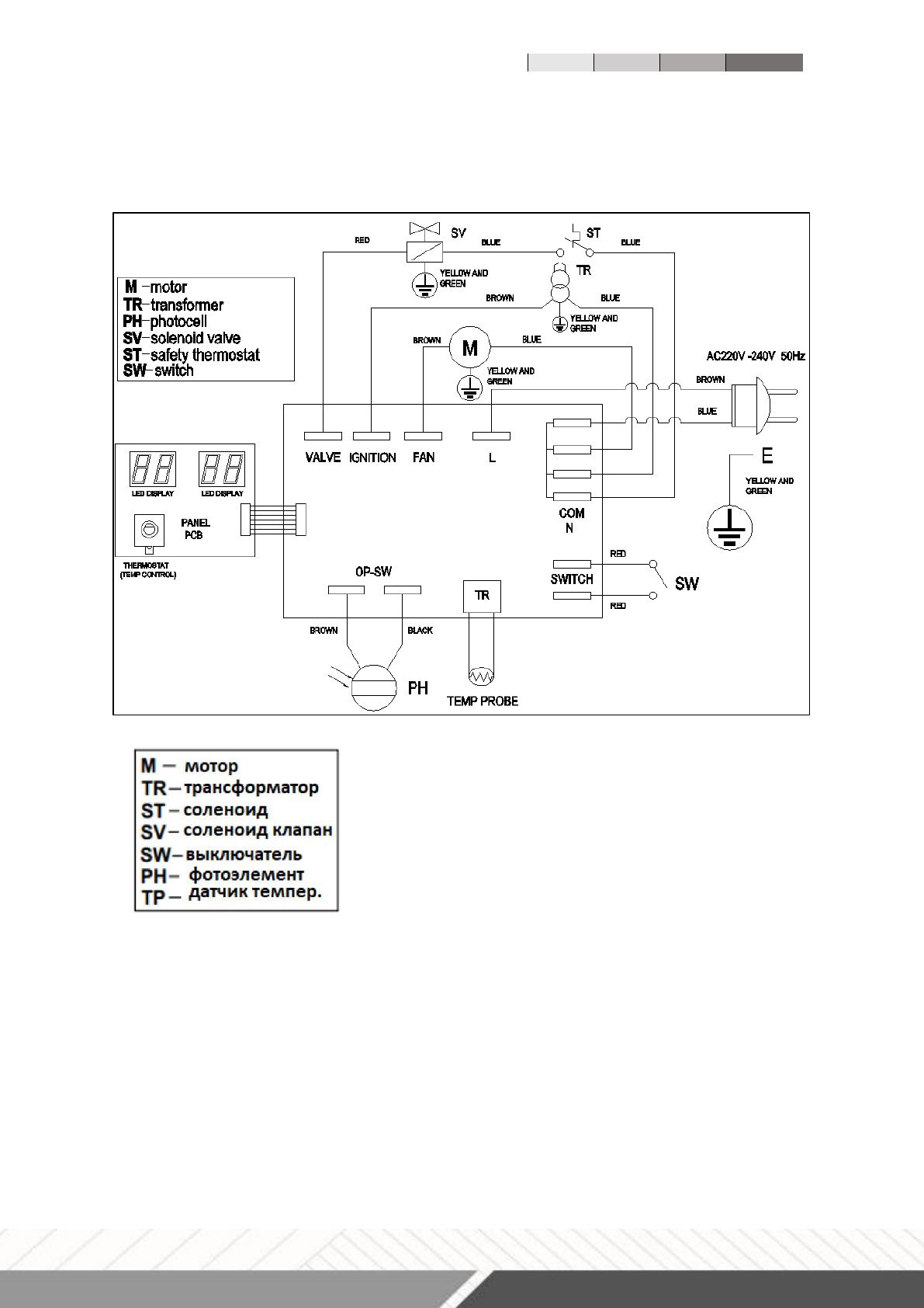
14
BGO-B
серии
Содержание
- 3 Оглавление; Общие правила безопасности
- 4 Предупреждение
- 5 непрямого нагрева с закрытой камерой сгорания.; Технические характеристики
- 6 Инструкции по сборке; Инструкция по установке
- 8 Инструкции по использованию
- 9 Неисправность
- 10 Топливные фильтры; быть совершенно чистыми и свободными.; Сопло; Относительно
- 12 ИСПОЛЬЗОВАНИЕ НА ВЫСОТЕ; за более низкого расхода кислорода по; Электрические; Осмотрите кабели, электрические детали
- 15 Устранение неполадок
- 16 Гарантийные; Условия гарантийного обслуживания
- 17 Гарантия не покрывает:
- 18 Исключения из гарантийного обслуживания
- 19 Тепловые пушки являются источником повышенной опасности!
- 20 На данные комплектующие расширенная гарантия не; Информация данного раздела действительна на момент печати