Обогреватели Timberk TIH RE8 9M - инструкция пользователя по применению, эксплуатации и установке на русском языке. Мы надеемся, она поможет вам решить возникшие у вас вопросы при эксплуатации техники.
Если остались вопросы, задайте их в комментариях после инструкции.
"Загружаем инструкцию", означает, что нужно подождать пока файл загрузится и можно будет его читать онлайн. Некоторые инструкции очень большие и время их появления зависит от вашей скорости интернета.

8.1. Электрическая тепловая пушка не требует каких-либо расходных
материалов для работы. При нормальной эксплуатации не требует тех-
нического обслуживания, а только чистку от пыли решеток вентилято-
ра и контроля работоспособности. Исправность прибора определяет-
ся внешним осмотром, затем включением и проверкой нагрева потока
воздуха.
8.2. При очистке прибора запрещается использование абразивных чи-
стящих средств, а также средств, содержащих спирт и растворитель.
Это может повредить покрытие корпуса или сам корпус прибора. Ис-
пользуйте кусок ткани, смоченный водой. Если загрязнение значитель-
ное, можно использовать ткань, смоченную в мыльной воде. Перед
эксплуатацией устройство должно обязательно высохнуть.
8. ОБСЛУЖИВАНИЕ
ВНИМАНИЕ!
Перед очисткой прибора он должен быть выключен
и отсоединен от электросети.
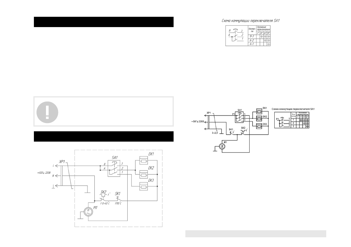
9. ПРИНЦИПИАЛЬНЫЕ ЭЛЕКТРИЧЕСКИЕ СХЕМЫ
EK1...EK3 - нагревательный элемент
M1 - электродвигатель вентилятора
SA1 - переключатель режимов работы
SK1 - термоограничитель
SK2 - термостат
XP1 - вилка сетевая
Рис. 8
Рис. 7
TIH RE8 5M
EK1...EK3 - нагревательный элемент
M1 - электродвигатель вентилятора
SA1 - переключатель режимов работы
SK1 - термоограничитель
SK2 - термостат
XP1 - вилка сетевая
EK EK
1
-
... 3
M1 -
-
SA1
1 -
SK
-
SK2
1 -
XP
Рис. 6
Рис. 9
TIH RE8 6M, TIH RE8 9M, TIH RE8 12M, TIH RE8 15M
www.timberk.com • тепловая пушка
9