Timberk THC WS1 6M - Инструкция по эксплуатации - Страница 14

Обогреватели Timberk THC WS1 6M - инструкция пользователя по применению, эксплуатации и установке на русском языке. Мы надеемся, она поможет вам решить возникшие у вас вопросы при эксплуатации техники.

Если остались вопросы, задайте их в комментариях после инструкции.

"Загружаем инструкцию", означает, что нужно подождать пока файл загрузится и можно будет его читать онлайн. Некоторые инструкции очень большие и время их появления зависит от вашей скорости интернета.
Страница:
/ 16
Загружаем инструкцию
background image

. 13

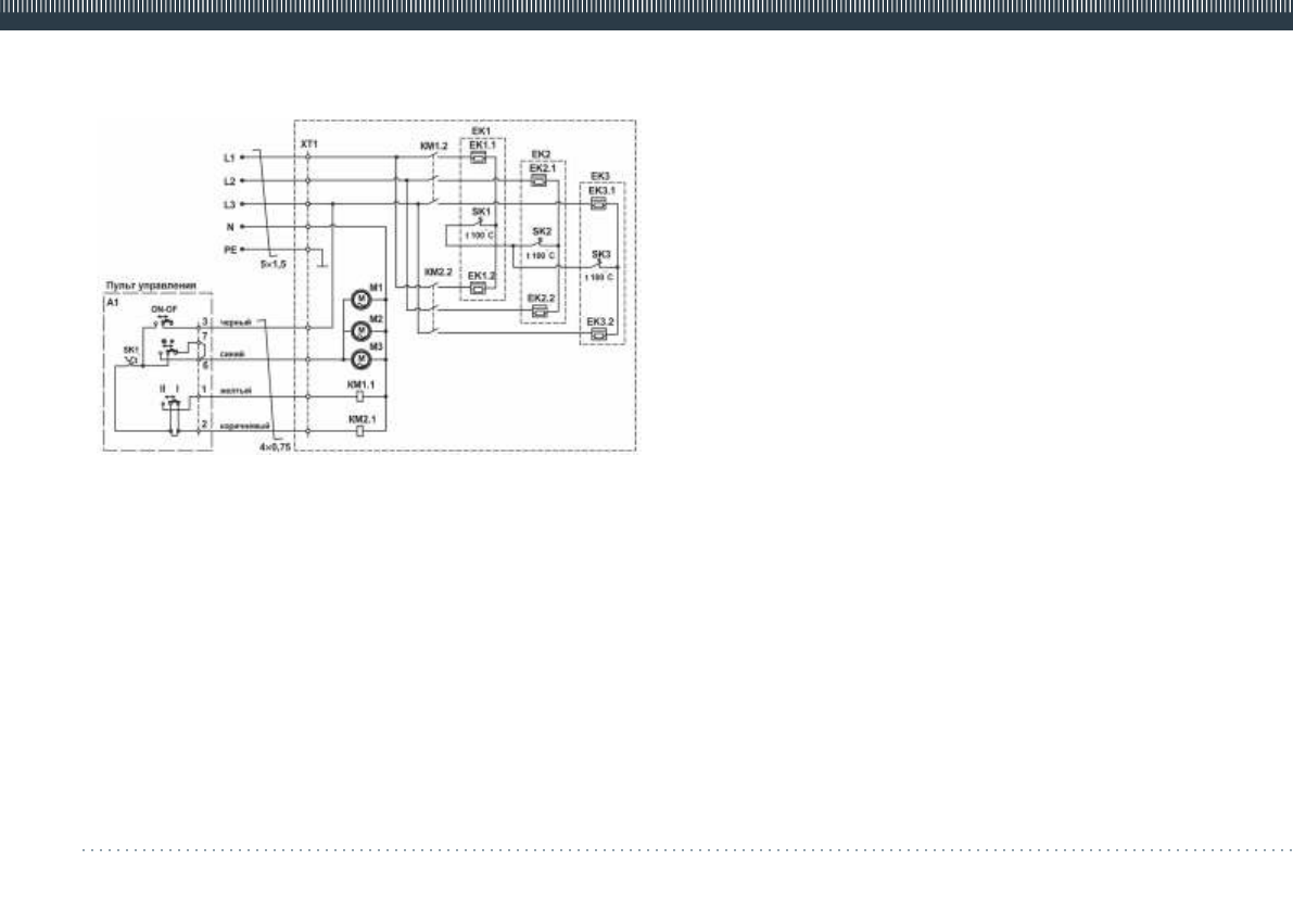
 THC WS1 9M,  THC WS2 9M 

AERO

   

A1 - 

 

;

EK1/EK2/EK3 

 

;

KM1/KM2

 - 

 

;

1/ 2

/M3 

 

;

SK1

/

SK

2

/SK3 

;

XT1 - 

 

 

12. 

 

 

 

 

 

 

 

 

 

   

   

   

 

 

 

 

 

 

 

 

 

   

 

 

 

.

 

 

 

   7 

.

14

www.timberk.ru

   

 

Полезные видео

Характеристики

Оцените статью
tehnopanorama.ru
Остались вопросы?

Не нашли свой ответ в руководстве или возникли другие проблемы? Задайте свой вопрос в форме ниже с подробным описанием вашей ситуации, чтобы другие люди и специалисты смогли дать на него ответ. Если вы знаете как решить проблему другого человека, пожалуйста, подскажите ему :)

Задать вопрос

Часто задаваемые вопросы
Как посмотреть инструкцию к Timberk THC WS1 6M?
Необходимо подождать полной загрузки инструкции в сером окне на данной странице
Руководство на русском языке?
Все наши руководства представлены на русском языке или схематично, поэтому вы без труда сможете разобраться с вашей моделью
Как скопировать текст из PDF?
Чтобы скопировать текст со страницы инструкции воспользуйтесь вкладкой "HTML"