Timberk THC WS1 3M - Инструкция по эксплуатации - Страница 13

Обогреватели Timberk THC WS1 3M - инструкция пользователя по применению, эксплуатации и установке на русском языке. Мы надеемся, она поможет вам решить возникшие у вас вопросы при эксплуатации техники.

Если остались вопросы, задайте их в комментариях после инструкции.

"Загружаем инструкцию", означает, что нужно подождать пока файл загрузится и можно будет его читать онлайн. Некоторые инструкции очень большие и время их появления зависит от вашей скорости интернета.
Страница:
/ 16
Загружаем инструкцию
background image

5

13

11. 

 

  

  

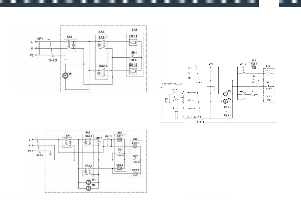
 THC WS1 3M, THC WS2 3M AERO

1 - 

 

;

1 - 

;

SA1 

 

;

SA2 

 

 

;

SK1 

;

1 - 

 

.

 THC WS1 5M,  THC WS2 5M AERO

. 10

. 11

1/

2 - 

 

;

1 - 

 

;

1/ 2

 

 

;

Sa

1

 

 

;

SA2 

 

 

;

SK1

/

SK

2

 

;

 THC WS1 6M, THC WS2 6M AERO

A1 - 

 

;

EK1/EK2 

 

;

KM1/KM2

 - 

 

;

1/ 2

 

 

;

SK1

/

SK

2

 

;

XT1 - 

 

 

. 12

www.timberk.ru

   

 

Полезные видео

Характеристики

Оцените статью
tehnopanorama.ru
Остались вопросы?

Не нашли свой ответ в руководстве или возникли другие проблемы? Задайте свой вопрос в форме ниже с подробным описанием вашей ситуации, чтобы другие люди и специалисты смогли дать на него ответ. Если вы знаете как решить проблему другого человека, пожалуйста, подскажите ему :)

Задать вопрос

Часто задаваемые вопросы
Как посмотреть инструкцию к Timberk THC WS1 3M?
Необходимо подождать полной загрузки инструкции в сером окне на данной странице
Руководство на русском языке?
Все наши руководства представлены на русском языке или схематично, поэтому вы без труда сможете разобраться с вашей моделью
Как скопировать текст из PDF?
Чтобы скопировать текст со страницы инструкции воспользуйтесь вкладкой "HTML"