Обогреватели Timberk TFH I15MDR - инструкция пользователя по применению, эксплуатации и установке на русском языке. Мы надеемся, она поможет вам решить возникшие у вас вопросы при эксплуатации техники.
Если остались вопросы, задайте их в комментариях после инструкции.
"Загружаем инструкцию", означает, что нужно подождать пока файл загрузится и можно будет его читать онлайн. Некоторые инструкции очень большие и время их появления зависит от вашей скорости интернета.

5
www.timberk.com
8.
. 3
9.
,
,
.
.
*
.
7.
,
:
«O» (
)
.
:
,
,
,
,
.
, . .
.
.
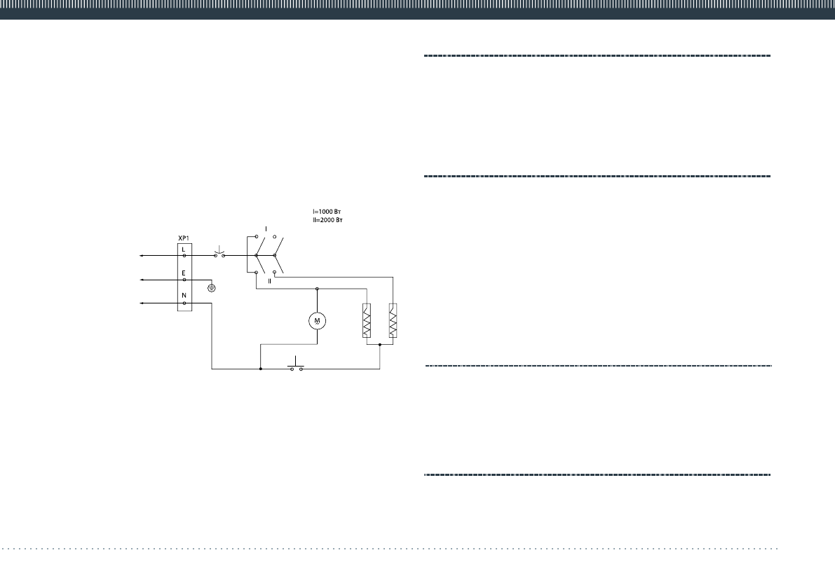
SK1
S
SK2
EK
30
220-240
XP1 -
S
K2 -
SK1 -
-
EK -
SA -
10.
EEC 89/336,
,
.
.
T
imberk
,
Timberk
,
,
,
,
,
.
:
.
RU.0001.11AB71
«
».
: 123308, .
, .
, . 3,
. 1, . 323;
: 115162, .
,
.,
28,
4,
. +7 495 6044266,
+7 495 6044266
.
,
:
P 52161.2.30-2007
P 51318.14.1-2006 .4
P 51318.14.2-2006 p.5,7
P 51317.3.3-2008
P 51317.3.2-2006 p.6,7
:
TCRU C-IL.AB71.B.00074
.
,
:
25.06.2012
24.06.2015
*:
«
»
, 10,
,
88000
/
+972-8-637-88-311
*:
«
»
: .
, .
,
1,
.1,
606
/
(499) 638-26-77
:
+ 7 (495) 6275285
*
,
,
\
\
.
,
,