Обогреватели Timberk TCH A9 1000 - инструкция пользователя по применению, эксплуатации и установке на русском языке. Мы надеемся, она поможет вам решить возникшие у вас вопросы при эксплуатации техники.
Если остались вопросы, задайте их в комментариях после инструкции.
"Загружаем инструкцию", означает, что нужно подождать пока файл загрузится и можно будет его читать онлайн. Некоторые инструкции очень большие и время их появления зависит от вашей скорости интернета.

www.timberk.com • electric ceiling heater
5
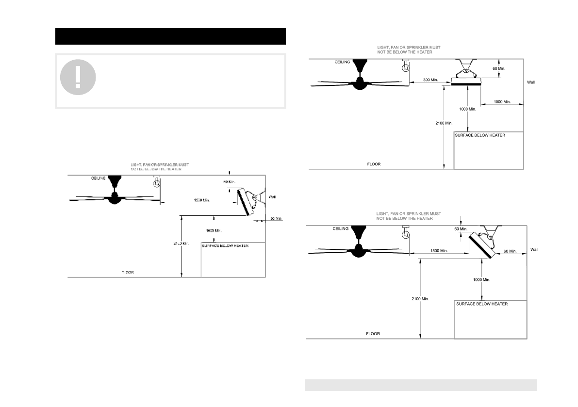
Minimum distances from heater to other surfaces the below
diagrams confirm the minimum recommended clearances
Angled Wall Installation
Fig.2
Fig.3
Fig.4
6. INSTALLATION
WARNING!
Mounting of the infrared heater and its connection to the
electric mains should be carried out only by qualified
specialists according to the Electrical Installation
Regulations and Power System Safety Standards.
Ceiling Installation
Angled Ceiling Installation
Содержание
- 10 Уважаемый покупатель!; МЕРЫ ПРЕДОСТОРОЖНОСТИ
- 11 РАБОЧИЕ ХАРАКТЕРИСТИКИ; Область применения; Производитель рассматривает данный вид полом-
- 12 Технические характеристики; ОПИСАНИЕ ИНФРАКРАСНОГО
- 13 Минимальные расстояния от обогревателя до других поверх-; КОМПЛЕКТ ПОСТАВКИ; Для улучшения качества продукции, конструкция и; СБОРКА И УСТАНОВКА; Потолочная установка; инфракрасный электрический обогреватель
- 14 Раскройте заводскую упаковку и аккуратно извлеките из неё обо-; Никогда не направляйте нагревающую поверхность
- 15 Подключение к электрической сети
- 17 Нагревательный элемент протирать мягкой тряпкой; УСТРАНЕНИЕ НЕИСПРАВНОСТЕЙ; Таблица 2
- 19 Гарантийные обязательства
- 20 гарантийный талон
- 21 Изготовитель не несет гарантийных обязательств за изделие в
- 22 Бланк гарантийного талона.; Заполняется фирмой-продавцом; Без подписи покупателя Гарантийный талон является недей-; ности (если прибор проверялся в его присутствии при продаже) приоб-