Обогреватели Timberk T-FH1.2-B10MC-B - инструкция пользователя по применению, эксплуатации и установке на русском языке. Мы надеемся, она поможет вам решить возникшие у вас вопросы при эксплуатации техники.
Если остались вопросы, задайте их в комментариях после инструкции.
"Загружаем инструкцию", означает, что нужно подождать пока файл загрузится и можно будет его читать онлайн. Некоторые инструкции очень большие и время их появления зависит от вашей скорости интернета.

IM2021
36
2.
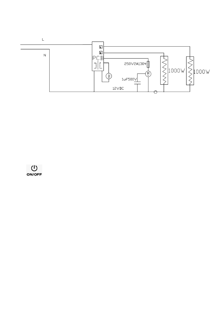
ҚАҒИДАТТЫ ЭЛЕКТР СХЕМАСЫ
РСВ
-
басқару негізі
D
-
интегралды микросхема
M
-
мотор
4-
сурет
3.
ҚЫЗМЕТ КӨРСЕТУ
Алдын ала тазалауды бастамас бұрын, құрылғының өшірулі екеніне және
қуатсыздандырылғанына көз жеткізіңіз, ол үшін желілік сым ашасын электр розеткасынан
суыру арқылы құрылғыны электр желісінен ажыратыңыз.
Тұрақты тазалау бойынша талаптар:
батырмасын пайдаланып құрылғыны өшіріңіз, үрлеу режимі өшірілгенше
күтіңіз;
Құрылғыны электр желісінен ажыратыңыз;
Құрылғыны салқындатып алыңыз, содан кейін оны жұмсақ, сәл дымқыл
шүберекпен сүртіңіз;
Тазалау үшін жуғыш заттарды, оның ішінде абразивті қосылыстары бар
құралдарды пайдалану ұсынылмайды.
Құрылғының бетіне өткір заттармен зақым келтірмеңіз.
НАЗАР АУДАРЫҢЫЗ!
Қуат элементтерін кәдеге жарату үшін сауда нүктелерінен сатып алуға болатын арнайы
контейнерлерді қолданыңыз.