Обогреватели TIMBERK 0.8 кВт TCH A03 800 - инструкция пользователя по применению, эксплуатации и установке на русском языке. Мы надеемся, она поможет вам решить возникшие у вас вопросы при эксплуатации техники.
Если остались вопросы, задайте их в комментариях после инструкции.
"Загружаем инструкцию", означает, что нужно подождать пока файл загрузится и можно будет его читать онлайн. Некоторые инструкции очень большие и время их появления зависит от вашей скорости интернета.

12. УТИЛИЗАЦИЯ
По окончании срока службы инфракрасный обогреватель следует
утилизировать в соответствии с нормами, правилами и способами,
действующими в месте утилизации. Подробную информацию по ути-
лизации инфракрасного обогревателя Вы можете получить у пред-
ставителя местного органа власти.
Срок службы прибора указан в гарантийном талоне.
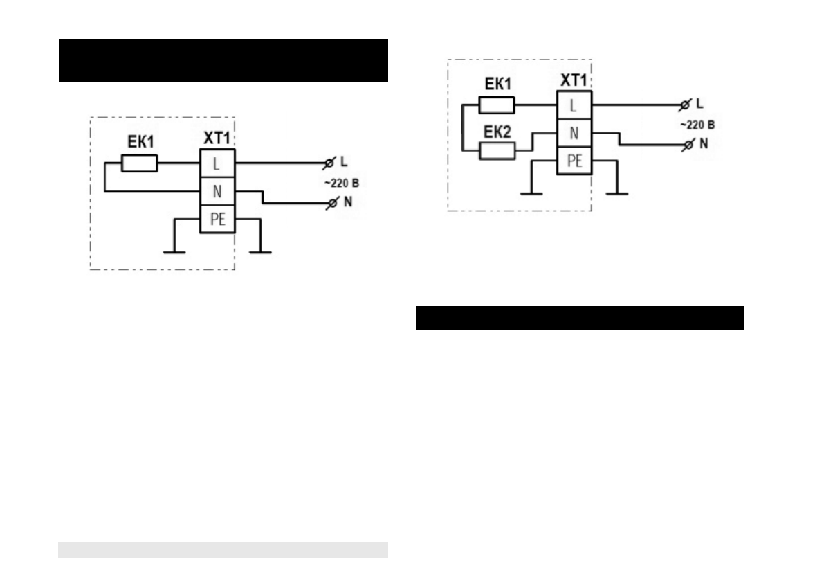
Модель TCH A03 2000
11. ПРИНЦИПИАЛЬНАЯ
ЭЛЕКТРИЧЕСКАЯ СХЕМА
Рис. 3
ЕК1 – нагревательный элемент
ХТ1 – соединительная колодка
Модель TCH A03 1000
Рис. 4
ЕК1 – нагревательный элемент
ЕК2 – нагревательный элемент
ХТ1 – соединительная колодка
www.timberk.com •
инфракрасный электрический обогреватель
14
Содержание
- 8 Уважаемый покупатель!; МЕРЫ ПРЕДОСТОРОЖНОСТИ
- 9 РАБОЧИЕ ХАРАКТЕРИСТИКИ; Принцип работы
- 10 Размерные характеристики и минимальные расстояния от обо-
- 11 Модель; ОПИСАНИЕ ИНФРАКРАСНОГО; Монтаж инфракрасного обогревателя; Раскройте заводскую упаковку и аккуратно извлеките из неё обо-
- 12 Подключение к электрической сети; ЭКСПЛУАТАЦИЯ ИНФРАКРАСНОГО
- 13 ТРАНСПОРТИРОВКА И ХРАНЕНИЕ
- 14 ЭЛЕКТРИЧЕСКАЯ СХЕМА
- 15 Общество с ограниченной ответственностью «Гарант Плюс»
- 17 Гарантийные обязательства
- 19 Изготовитель не несет гарантийных обязательств за изделие в
- 20 Бланк гарантийного талона.; Заполняется фирмой-продавцом; Без подписи покупателя Гарантийный талон является недей-; ности (если прибор проверялся в его присутствии при продаже) приоб-
- 24 РУКОВОДСТВО ПО ЭКСПЛУАТАЦИИ; Если вы заметили ошибку в руководстве по эксплуатации,; Руководство по эксплуатации техники
Характеристики
Остались вопросы?Не нашли свой ответ в руководстве или возникли другие проблемы? Задайте свой вопрос в форме ниже с подробным описанием вашей ситуации, чтобы другие люди и специалисты смогли дать на него ответ. Если вы знаете как решить проблему другого человека, пожалуйста, подскажите ему :)













