Обогреватели Тепломаш КЭВ 18С40 Е 004752 - инструкция пользователя по применению, эксплуатации и установке на русском языке. Мы надеемся, она поможет вам решить возникшие у вас вопросы при эксплуатации техники.
Если остались вопросы, задайте их в комментариях после инструкции.
"Загружаем инструкцию", означает, что нужно подождать пока файл загрузится и можно будет его читать онлайн. Некоторые инструкции очень большие и время их появления зависит от вашей скорости интернета.

14
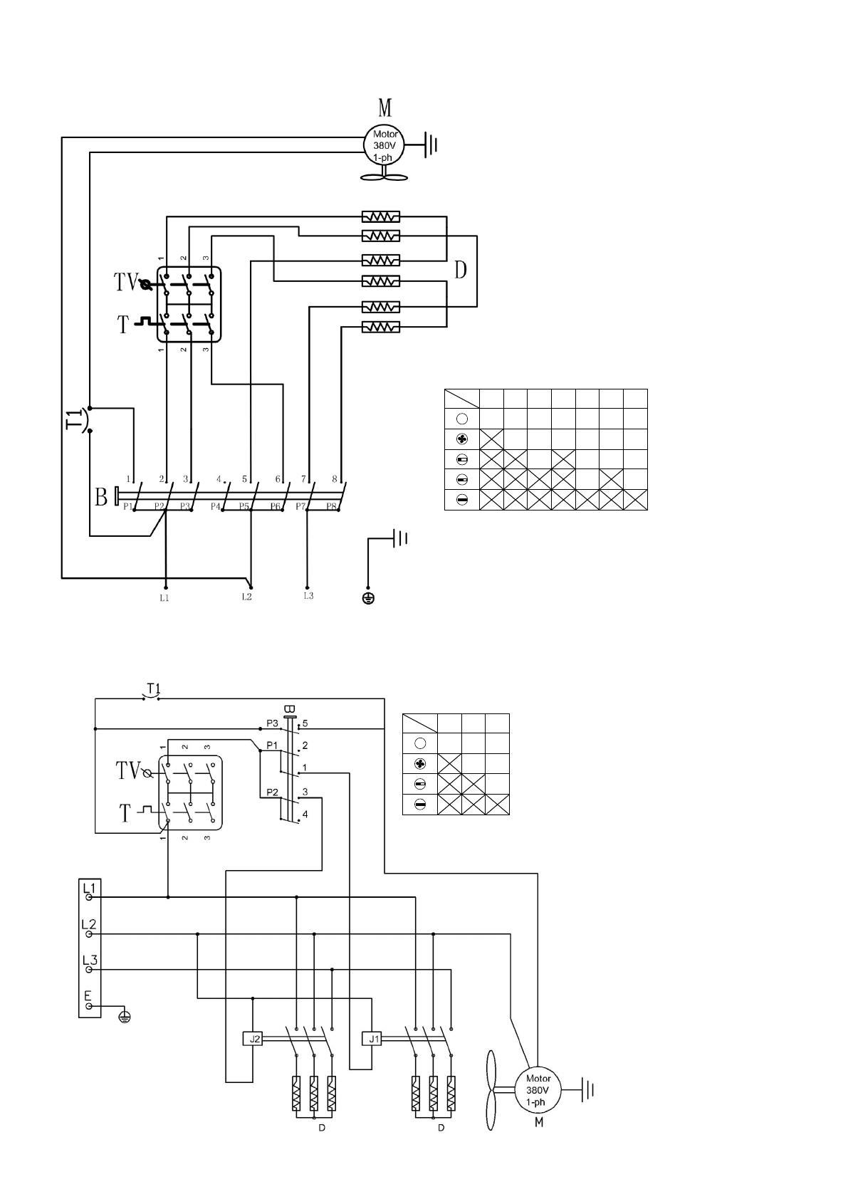
Рисунок 10. Электрическая схема тепловентиляторов КЭВ-12С40Е и КЭВ-15С40Е
T – Термостат
В – Выключатель
М – Электродвигатель
D – нагреватели (ТЭН)
TV – аварийный термовыключатель
без самовозврата.
Т1 – Термовыключатель продувки
Рисунок 11. Электрическая схема тепловентилятора КЭВ-18С40Е
T – Термостат
В – Выключатель
М – Электродвигатель
D – нагреватели (ТЭН)
J1, J2 – Реле
TV – аварийный термовыключатель
без самовозврата.
Т1 – Термовыключатель продувки
3PE ~ 380В 50ГЦ
3PE
~
380В
50ГЦ
1
2
3
5
6
7
8
0
0
0
0
0
0
0
0
0
0
5
1
3
0
0
0
0
0
0
0
0
ПЕРЕКЛЮЧАТЕЛЬ
ПЕРЕКЛЮЧАТЕЛЬ
Содержание
- 2 СОДЕРЖАНИЕ; Ваши замечания и предложения присылайте по адресу
- 4 УСТРОЙСТВО И ПОРЯДОК РАБОТЫ; его ТЭНами и возвращая назад в помещение.; II; Одноклавишный переключатель:; Панель управления КЭВ-2С51Е; Ручка терморегулятора:
- 5 нагреватели включаются.
- 6 УКАЗАНИЕ МЕР БЕЗОПАСНОСТИ
- 8 ТЕХНИЧЕСКОЕ ОБСЛУЖИВАНИЕ
- 10 Рисунок 1. Габаритные и присоединительные размеры
- 11 ON
- 15 Для заметок
- 16 Печатное издание доступно в электронном формате PDF.; Импортёр: АО «НПО «Тепломаш»