Обогреватели КЭВ-12П4060E (IP54) Тепломаш 124034 - инструкция пользователя по применению, эксплуатации и установке на русском языке. Мы надеемся, она поможет вам решить возникшие у вас вопросы при эксплуатации техники.
Если остались вопросы, задайте их в комментариях после инструкции.
"Загружаем инструкцию", означает, что нужно подождать пока файл загрузится и можно будет его читать онлайн. Некоторые инструкции очень большие и время их появления зависит от вашей скорости интернета.

13
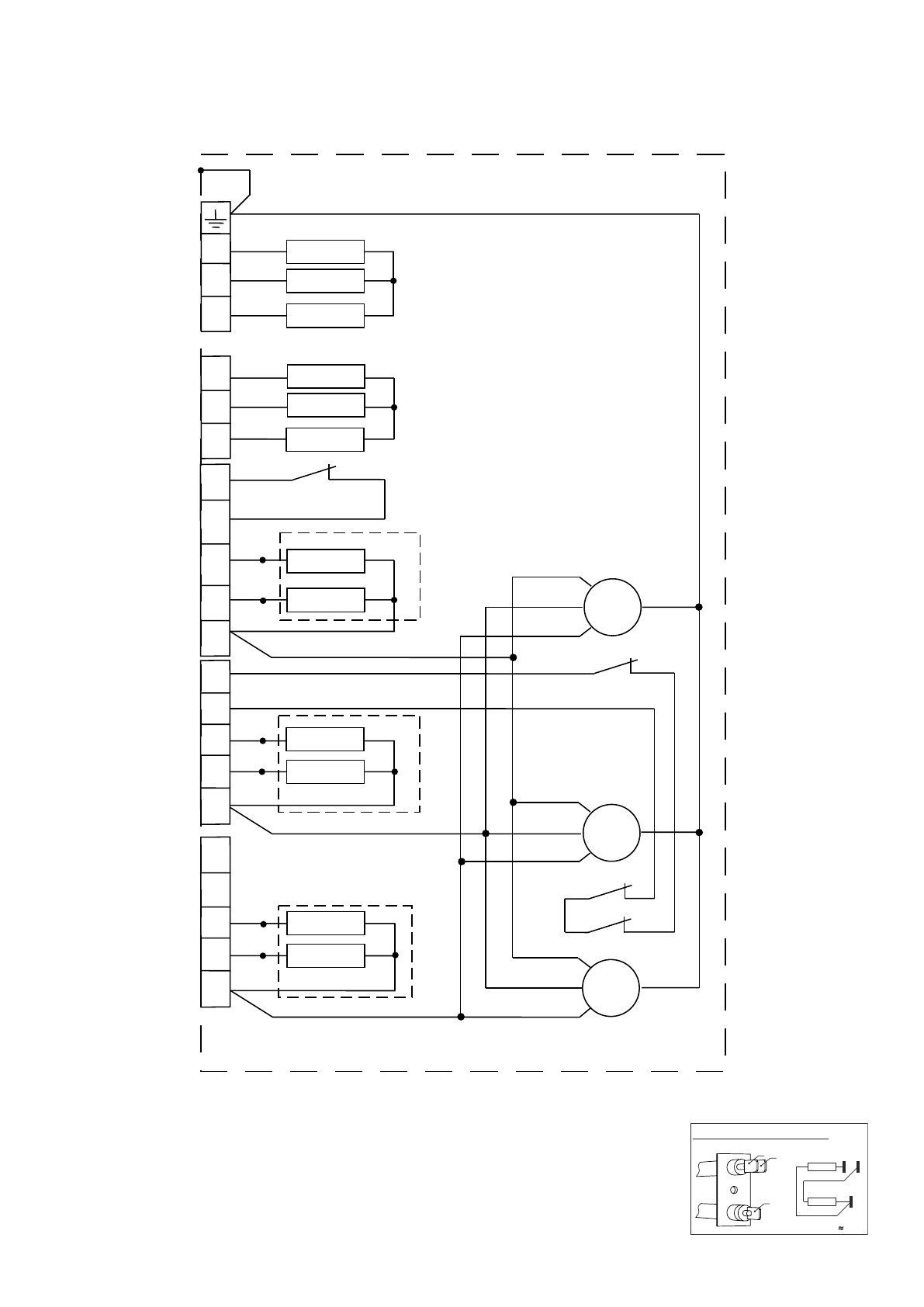
Рисунок 5. Электрическая схема завесы КЭВ-24П4060Е, КЭВ-36П4060Е
3
ТЭН-резистор А1, А2, А3
3
R1
R
2R1
2
R2
4
4
5
5
Â
À
Ñ
Â
À
Ñ
3
2
1
5
4
3
2
1
5
4
3
2
1
5
4
X1
X2
X3
ÅÊ1...ÅÊ6
ÅÊ7...ÅÊ12
SK1 120
°
C
5
3
4
4
4
Ì3
0
t C
ì
t
°
C
ì
t
°
C
ì
Ì2
Ì1
X
5
X
4
5
3
5
3
À1
À2
À3
Содержание
- 4 П р о д о л ж е н и е т а б л и ц ы 1; УСТРОЙСТВО И ПОРЯДОК РАБОТЫ; через модули МП12-24Е или
- 7 ТЕХНИЧЕСКОЕ ОБСЛУЖИВАНИЕ
- 8 Использование непригодной завесы ЗАПРЕЩЕНО!; ВОЗМОЖНЫЕ НЕИСПРАВНОСТИ И СПОСОБЫ ИХ УСТРАНЕНИЯ
- 9 ГАРАНТИЙНЫЕ ОБЯЗАТЕЛЬСТВА; П р о д о л ж е н и е т а б л и ц ы 3
- 10 Рисунок 2. Габаритные и присоединительные размеры
- 12 Рисунок 4. Электрическая схема завесы КЭВ-12П4060Е; t C
- 14 ДЛЯ ЗАМЕТОК
- 16 СВИДЕТЕЛЬСТВО О ПРИЕМКЕ; Дата изготовления; СВИДЕТЕЛЬСТВО О ПОДКЛЮЧЕНИИ; Подключена к сети в соответствии с п.7 Паспорта; СБ
Характеристики
Остались вопросы?Не нашли свой ответ в руководстве или возникли другие проблемы? Задайте свой вопрос в форме ниже с подробным описанием вашей ситуации, чтобы другие люди и специалисты смогли дать на него ответ. Если вы знаете как решить проблему другого человека, пожалуйста, подскажите ему :)