Обогреватели TECHNO VENT KVZV 250-85-2000/220В - инструкция пользователя по применению, эксплуатации и установке на русском языке. Мы надеемся, она поможет вам решить возникшие у вас вопросы при эксплуатации техники.
Если остались вопросы, задайте их в комментариях после инструкции.
"Загружаем инструкцию", означает, что нужно подождать пока файл загрузится и можно будет его читать онлайн. Некоторые инструкции очень большие и время их появления зависит от вашей скорости интернета.

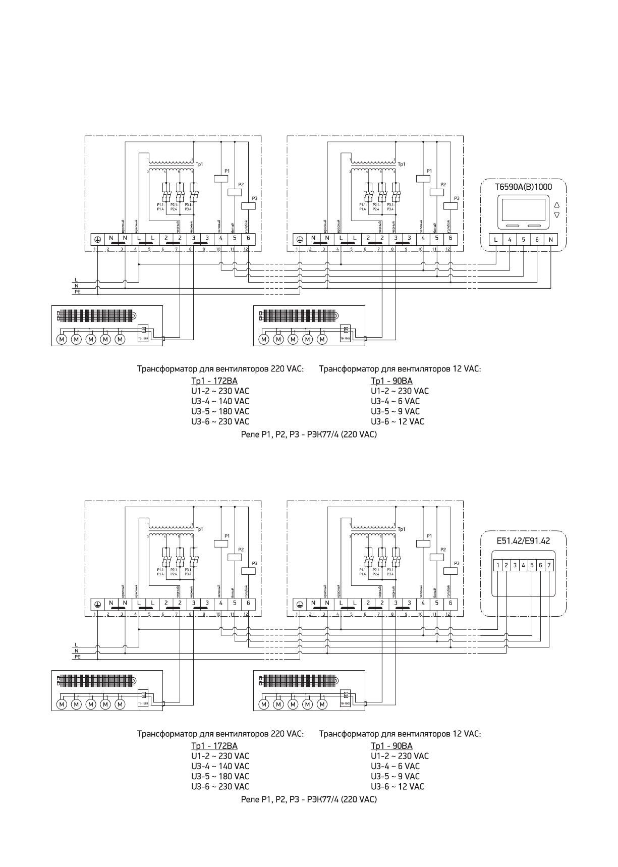
Схема подключения конвекторов к термостату Т6590А(В)1000
с трёхступенчатой регулировкой скорости вращения вентиляторов
Схема подключения конвекторов к термостату Е51.42/Е91.42
с трёхступенчатой регулировкой скорости вращения вентиляторов
СХЕМА ПОДКЛЮЧЕНИЯ К ТЕРМОСТАТУ
Содержание
- 3 КОНСТРУКЦИЯ КОНВЕКТОРА
- 4 ТЕПЛОПРОИЗВОДИТЕЛЬНОСТЬ
- 8 МОНТАЖ КОНВЕКТОРОВ
- 13 СХЕМА ПОДКЛЮЧЕНИЯ К ТЕРМОСТАТУ; Схема подключения конвекторов к термостату Т6371А1019
- 14 Схема подключения конвекторов к термостату Т6590А(В)1000
- 15 НЕТИПОВЫЕ ВСТРАИВАЕМЫЕ КОНВЕКТОРЫ; Угловые конвекторы; Радиусные конвекторы
- 16 ДЕКОРАТИВНЫЕ РЕШЕТКИ ДЛЯ ВСТРАИВАЕМЫХ КОНВЕКТОРОВ













