TECHNO Power KVZ 150-105-1200 RH04000524 - Инструкция по эксплуатации - Страница 9

Обогреватели TECHNO Power KVZ 150-105-1200 RH04000524 - инструкция пользователя по применению, эксплуатации и установке на русском языке. Мы надеемся, она поможет вам решить возникшие у вас вопросы при эксплуатации техники.

Если остались вопросы, задайте их в комментариях после инструкции.

"Загружаем инструкцию", означает, что нужно подождать пока файл загрузится и можно будет его читать онлайн. Некоторые инструкции очень большие и время их появления зависит от вашей скорости интернета.
Страница:
/ 11
Загружаем инструкцию
background image

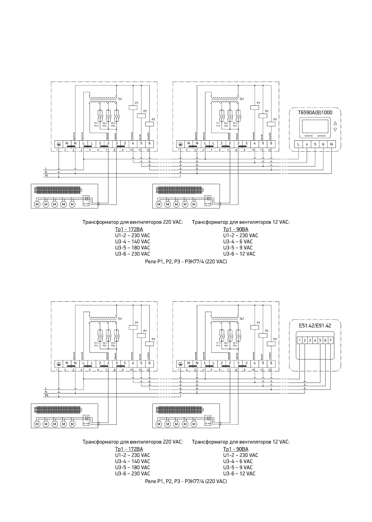
Схема подключения конвекторов к термостату Т6590А(В)1000

с трёхступенчатой регулировкой скорости  вращения вентиляторов

Схема подключения конвекторов к термостату Е51.42/Е91.42

с трёхступенчатой регулировкой скорости вращения вентиляторов

СХЕМА ПОДКЛЮЧЕНИЯ К ТЕРМОСТАТУ

Полезные видео

Характеристики

Оцените статью
tehnopanorama.ru
Остались вопросы?

Не нашли свой ответ в руководстве или возникли другие проблемы? Задайте свой вопрос в форме ниже с подробным описанием вашей ситуации, чтобы другие люди и специалисты смогли дать на него ответ. Если вы знаете как решить проблему другого человека, пожалуйста, подскажите ему :)

Задать вопрос

Часто задаваемые вопросы
Как посмотреть инструкцию к TECHNO Power KVZ 150-105-1200 RH04000524?
Необходимо подождать полной загрузки инструкции в сером окне на данной странице
Руководство на русском языке?
Все наши руководства представлены на русском языке или схематично, поэтому вы без труда сможете разобраться с вашей моделью
Как скопировать текст из PDF?
Чтобы скопировать текст со страницы инструкции воспользуйтесь вкладкой "HTML"