Обогреватели Спец СПЕЦ-ДН-65 - инструкция пользователя по применению, эксплуатации и установке на русском языке. Мы надеемся, она поможет вам решить возникшие у вас вопросы при эксплуатации техники.
Если остались вопросы, задайте их в комментариях после инструкции.
"Загружаем инструкцию", означает, что нужно подождать пока файл загрузится и можно будет его читать онлайн. Некоторые инструкции очень большие и время их появления зависит от вашей скорости интернета.
Загружаем инструкцию

14
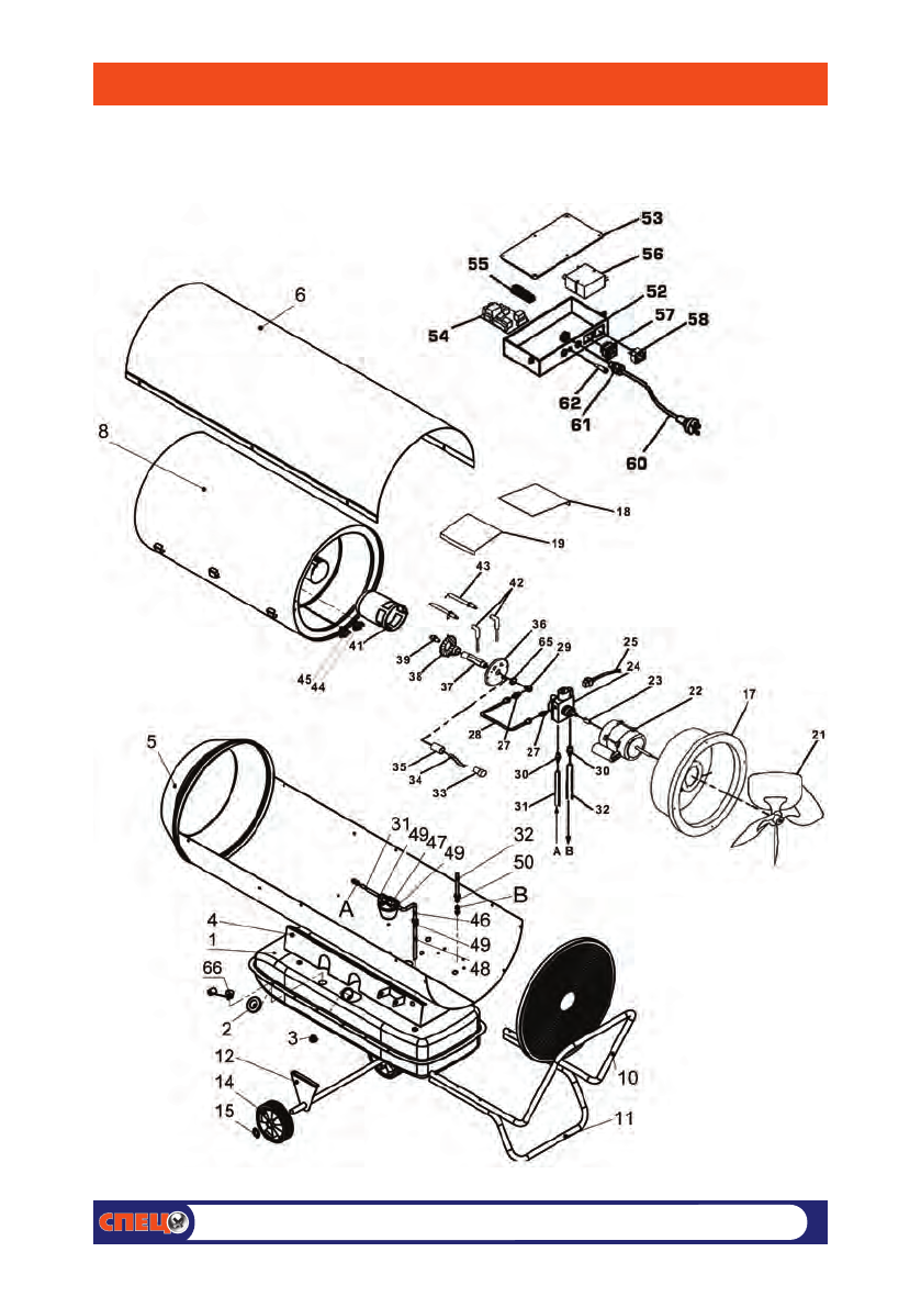
СПЕЦ-ДН-65
Пушка тепловая дизельная
Приложение 1
Внешний вид теплогенератора СПЕЦ-ДН-65
Содержание
- 3 ОПИСАНИЕ И РАБОТА ДИЗЕЛЬНОГО ТЕПЛОГЕНЕРАТОРА; Запрещается; Техническая характеристика; Топливо
- 5 Летняя вентиляция
- 8 давление
- 9 ВОЗМОЖНЫЕ НЕИСПРАВНОСТИ И МЕТОДЫ ИХ УСТРАНЕНИЯ; Возможные неисправности приведены в таблицах 2 и 3; Таблица 2; Неисправность; Контрольная лампочка источника питания не горит; Причина
- 10 Таблица 3; ГАРАНТИИ ПРОДАВЦА
- 11 Случаи утраты гарантийных обязательств
- 12 Изготовлено по заказу:
- 13 СВИДЕТЕЛЬСТВО О ПРОДАЖЕ; место печати; Модель; Свидетельство о приемке
- 15 Приложение 2; Конфигурация теплогенератора СПЕЦ-ДН-65
- 17 Коробка упаковочная; Приложение 3
- 18 Приложение 4