Обогреватели СПЕЦ HP-9.000C - инструкция пользователя по применению, эксплуатации и установке на русском языке. Мы надеемся, она поможет вам решить возникшие у вас вопросы при эксплуатации техники.
Если остались вопросы, задайте их в комментариях после инструкции.
"Загружаем инструкцию", означает, что нужно подождать пока файл загрузится и можно будет его читать онлайн. Некоторые инструкции очень большие и время их появления зависит от вашей скорости интернета.
Загружаем инструкцию

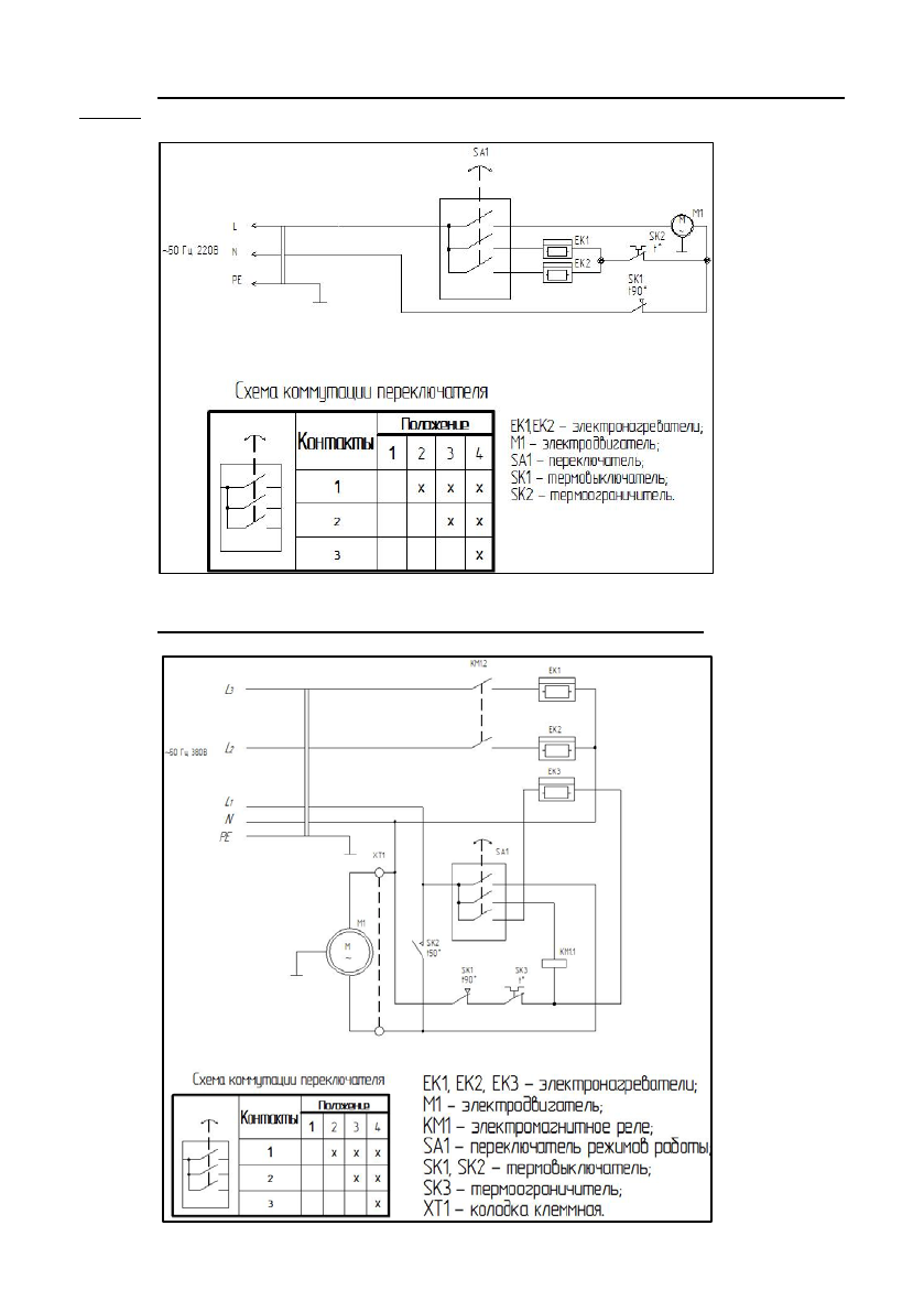
Электрическая схема тепловентиляторов НР-2.001С, НР-3.001С, НР-2.002С и НР-
3.002С.
Электрическая схема тепловентиляторов НР-6.000С и НР-9.000С.
Содержание
- 2 изучите данное руководство и храните его в доступном месте.; ПРАВИЛА БЕЗОПАСНОСТИ:
- 4 Наружный кожух поворотного корпуса; ПРИНЦИП РАБОТЫ ПРИБОРА.; воздуховыпускной решетки.; ТЕХНИЧЕСКИЕ ХАРАКТЕРИСТИКИ:
- 8 УХОД И ОБСЛУЖИВАНИЕ; тепловентилятор может эксплуатироваться более 7 лет.; ПРАВИЛА ТРАНСПОРТИРОВКИ И ХРАНЕНИЯ; обращаться в специализированные ремонтные мастерские
- 9 ГАРАНТИИ СЕРТИФИКАЦИЯ.; Дата изготовления указана на приборе.; ТОВАР СООТВЕТСТВУЕТ ТРЕБОВАНИЯМ НОРМАТИВНЫХ ДОКУМЕНТОВ: