Обогреватели СПЕЦ HP-5.000C - инструкция пользователя по применению, эксплуатации и установке на русском языке. Мы надеемся, она поможет вам решить возникшие у вас вопросы при эксплуатации техники.
Если остались вопросы, задайте их в комментариях после инструкции.
"Загружаем инструкцию", означает, что нужно подождать пока файл загрузится и можно будет его читать онлайн. Некоторые инструкции очень большие и время их появления зависит от вашей скорости интернета.
Загружаем инструкцию

Приложение №1
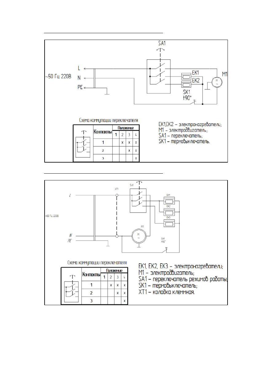
Электрическая схема тепловентилятора НР-3.000С
Электрическая схема тепловентилятора НР-5.000С
Содержание
- 2 Руководство по эксплуатации; Гарантийный талон; Перед началом эксплуатации тепловой завесы внимательно
- 3 изучите данное руководство и храните его в доступном месте.; ПРАВИЛА БЕЗОПАСНОСТИ:
- 5 Наружный кожух поворотного корпуса; ПРИНЦИП РАБОТЫ ПРИБОРА.; воздуховыпускной решетки.; ТЕХНИЧЕСКИЕ ХАРАКТЕРИСТИКИ:
- 9 УХОД И ОБСЛУЖИВАНИЕ; тепловентилятор может эксплуатироваться более 7 лет.; ПРАВИЛА ТРАНСПОРТИРОВКИ И ХРАНЕНИЯ
- 10 ГАРАНТИИ СЕРТИФИКАЦИЯ.; Дата изготовления указана на приборе.; ТОВАР СООТВЕТСТВУЕТ ТРЕБОВАНИЯМ НОРМАТИВНЫХ ДОКУМЕНТОВ: