Обогреватели СПЕЦ HP-36.000 - инструкция пользователя по применению, эксплуатации и установке на русском языке. Мы надеемся, она поможет вам решить возникшие у вас вопросы при эксплуатации техники.
Если остались вопросы, задайте их в комментариях после инструкции.
"Загружаем инструкцию", означает, что нужно подождать пока файл загрузится и можно будет его читать онлайн. Некоторые инструкции очень большие и время их появления зависит от вашей скорости интернета.

17
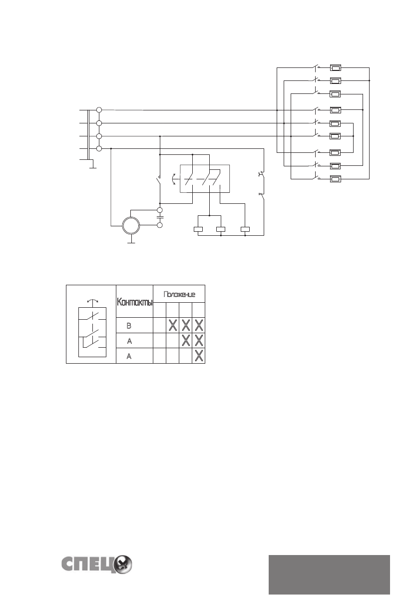
Электрическая схема тепловентилятора СПЕЦ-HP-36.000
Схема электрическая принципиальная тепловентилятора НР
-36.000
EK1 - EK9 -
нагревательный элемент
;
М
1 -
электродвигатель
;
КМ
1,
КМ
2,
КМ
3 -
электромагнитный пускатель
;
SA1 -
переключатель режимов работы
;
SK1 -
терморегулятор
;
S
К
2 -
защитный термостат
;
SK3 -
термостат задержки выключения электродвигателя
;
ХТ
1,
ХТ
2 -
клеммная колодка
;
С
1 -
конденсатор
.
КМ
1.2
КМ
2
.2
КМ
3.2
ЕК
1
ЕК
2
ЕК
3
ЕК
4
ЕК
5
ЕК
6
ЕК
7
ЕК
8
ЕК
9
~400
В
PE
N
L3
L2
L1
КМ
1
.1
КМ
2
.1
КМ
3.1
XT2
SK2
SK1
SK3
XT1
M1
M
~
SA1
C1
Схема коммутации переключателя
SA1
Контакты
Положение
1
2 3 4
В
- 4
Х Х Х
А
- 1
А
- 2
Х Х
Х
PDF created with pdfFactory Pro trial version
www.pdffactory.com
Содержание
- 3 ПРАВИЛА БЕЗОПАСНОСТИ; • Запрещается эксплуатация тепловентилятора без заземления.
- 4 НАЗНАЧЕНИЕ ПРИБОРА
- 5 УСТРОЙСТВО ПРИБОРА; мещение через решетку.; Работа тепловентилятора возможна в одном из следующих режимов:; ПРИНЦИП РАБОТЫ ПРИБОРА; мещение через отверстия воздуховыпускной решетки.
- 7 ПОРЯДОК ПОДКЛЮЧЕНИЯ
- 8 ВЕНТИЛЯЦИЯ; ВЕНТИЛЯЦИЯ С ПОДОГРЕВОМ ВОЗДУХА (ВОЗДУШНОЕ
- 9 ОБЕСПЕЧЕНИЕ БЕЗОПАСНОЙ РАБОТЫ; гревательных элементов в случае перегрева корпуса.
- 10 ПРАВИЛА ТРАНСПОРТИРОВКИ И ХРАНЕНИЯ; мом вентилируемом помещении при температуре от +5 до +40°С и относи; ТЕХНИЧЕСКОЕ ОБСЛУЖИВАНИЕ; жет эксплуатироваться более 7 лет.
- 11 ДАТА ИЗГОТОВЛЕНИЯ
- 12 ГАРАНТИИ И СЕРТИФИКАЦИЯ; Гарантийный срок эксплуатации - 24 месяца от даты продажи.; Товар соответствует требованиям; ТР ТС 004/2011 «О безопасности низковольтного оборудования»,; Изготовлено в России; СЕРВИСНЫЙ ЦЕНТР; Cписок сервисных центров можно узнать на сайте
- 14 Приложение No1; Схема коммутации переключателя; Положение; Схема коммутации переключателя; Положение; PDF created with pdfFactory Pro trial version; Схема электрическая принципиальная тепловентилятора НР; Схема коммутации переключателя; Контакты