Обогреватели Спец 4,5 кВт Мини HP-5.001 СПЕЦ-HP-5.001 - инструкция пользователя по применению, эксплуатации и установке на русском языке. Мы надеемся, она поможет вам решить возникшие у вас вопросы при эксплуатации техники.
Если остались вопросы, задайте их в комментариях после инструкции.
"Загружаем инструкцию", означает, что нужно подождать пока файл загрузится и можно будет его читать онлайн. Некоторые инструкции очень большие и время их появления зависит от вашей скорости интернета.

12
Приложение №1
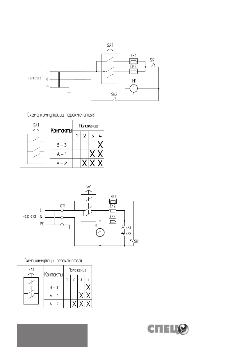
Электрическая схема тепловентилятора СПЕЦ-HP-2.001, СПЕЦ-HP-3.001
ЕК1, ЕК2 - нагревательный элемент;
М1 - электродвигатель;
SA1 - переключатель режимов работы;
SK1 - терморегулятор;
SK2 - защитный термостат.
EK1, EK2, ЕК3 - нагревательный элемент;
М1 - электродвигатель;
SA1 - переключатель режимов работы;
SK1, SK2 - защитный термостат;
SK3 - терморегулятор;
ХТ1 - клеммная колодка.
Электрическая схема тепловентилятора СПЕЦ-HP-5.001

 
  
  
  
  
  
  
  
  
  
  
  
  
  
  
  
  
  
  
  
 











