Обогреватели Спец 2 кВт Мини НР-2.001 СПЕЦ-НР-2.001 - инструкция пользователя по применению, эксплуатации и установке на русском языке. Мы надеемся, она поможет вам решить возникшие у вас вопросы при эксплуатации техники.
Если остались вопросы, задайте их в комментариях после инструкции.
"Загружаем инструкцию", означает, что нужно подождать пока файл загрузится и можно будет его читать онлайн. Некоторые инструкции очень большие и время их появления зависит от вашей скорости интернета.

12
Приложение №1
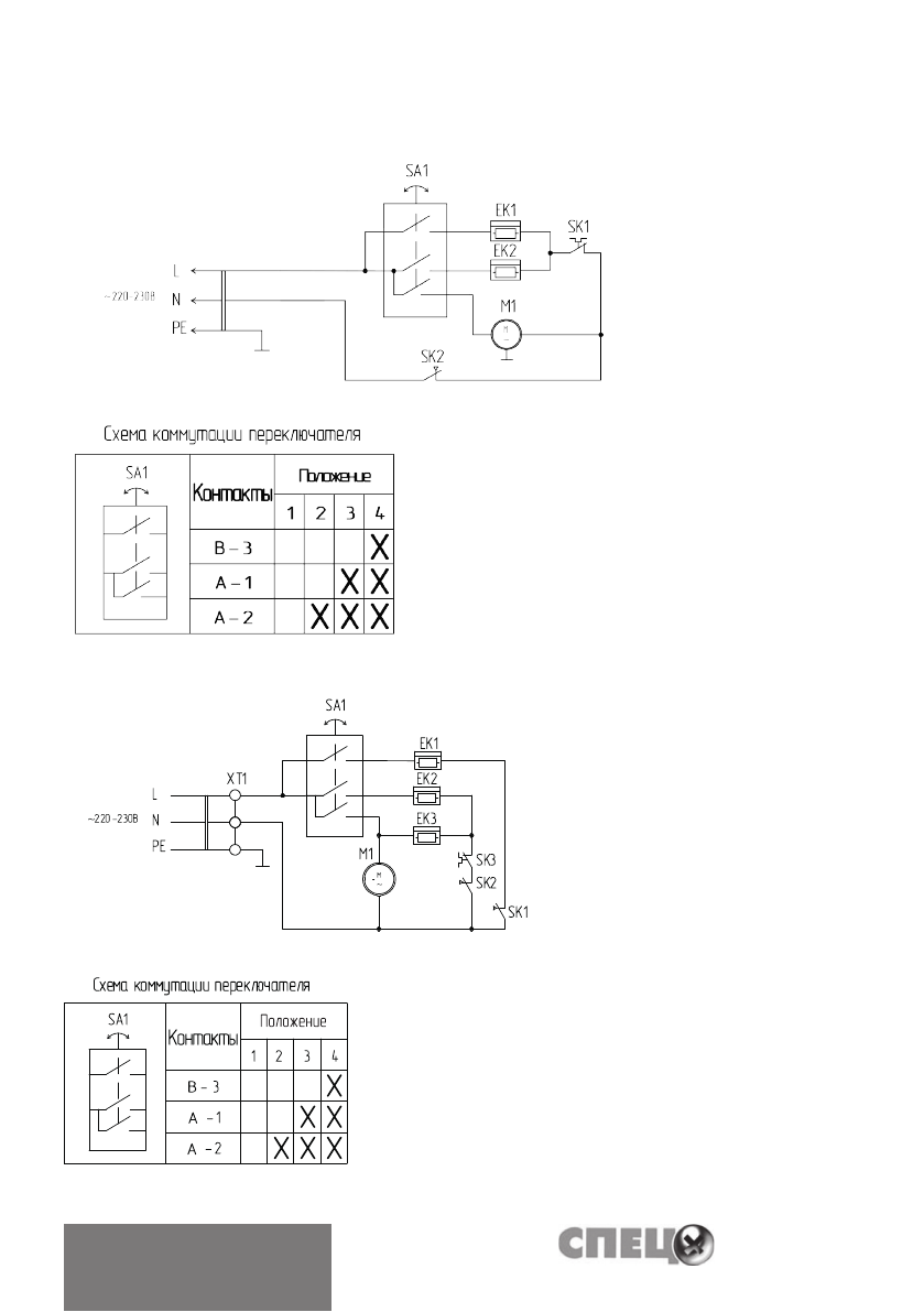
Электрическая схема тепловентилятора СПЕЦ-HP-2.001, СПЕЦ-HP-3.001
ЕК1, ЕК2 - нагревательный элемент;
М1 - электродвигатель;
SA1 - переключатель режимов работы;
SK1 - терморегулятор;
SK2 - защитный термостат.
EK1, EK2, ЕК3 - нагревательный элемент;
М1 - электродвигатель;
SA1 - переключатель режимов работы;
SK1, SK2 - защитный термостат;
SK3 - терморегулятор;
ХТ1 - клеммная колодка.
Электрическая схема тепловентилятора СПЕЦ-HP-5.001
Содержание
- 3 ПРАВИЛА БЕЗОПАСНОСТИ
- 5 элементами, нагревается и подается в помещение через решетку.; Работа тепловентилятора возможна в одном из следующих режимов:; – режим 2 – вентиляция; ПРИНЦИП РАБОТЫ ПРИБОРА; мещение через отверстия воздуховыпускной решетки.; ТЕХНИЧЕСКИЕ ХАРАКТЕРИСТИКИ
- 6 *Примечание: при падении напряжения в сети на 10% возможно снижение
- 9 менному выходу из строя электронагревателей.; ТЕХНИЧЕСКОЕ ОБСЛУЖИВАНИЕ; их устранения приведены в таблице.
- 10 ФУНКЦИИ БЕЗОПАСНОЙ РАБОТЫ; Защитный термостат
- 11 ТРАНСПОРТИРОВКА И ХРАНЕНИЕ; мом вентилируемом помещении при температуре от +5 до +40 °С и относи; ДАТА ИЗГОТОВЛЕНИЯ; Дата изготовления указана на приборе.
- 12 ГАРАНТИИ И СЕРТИФИКАЦИЯ; Гарантийный срок эксплуатации - 24 месяца от даты продажи.; Товар соответствует требованиям; ТР ТС 004/2011 «О безопасности низковольтного оборудования»,; Изготовлено в России; Cписок сервисных центров можно узнать на сайте
- 14 Приложение No1