sonniger PTC, GUARDPRO 150E CGP0032 - Инструкция по эксплуатации - Страница 8

Обогреватели sonniger PTC, GUARDPRO 150E CGP0032 - инструкция пользователя по применению, эксплуатации и установке на русском языке. Мы надеемся, она поможет вам решить возникшие у вас вопросы при эксплуатации техники.

Если остались вопросы, задайте их в комментариях после инструкции.

"Загружаем инструкцию", означает, что нужно подождать пока файл загрузится и можно будет его читать онлайн. Некоторые инструкции очень большие и время их появления зависит от вашей скорости интернета.
Страница:
/ 16
Загружаем инструкцию
background image

Руководство

 

по

 

эксплуатации

 

и

 

монтажу

 

промышленных

 

завес

 GUARDPRO v201708 

 

 

 www.sonniger.com 

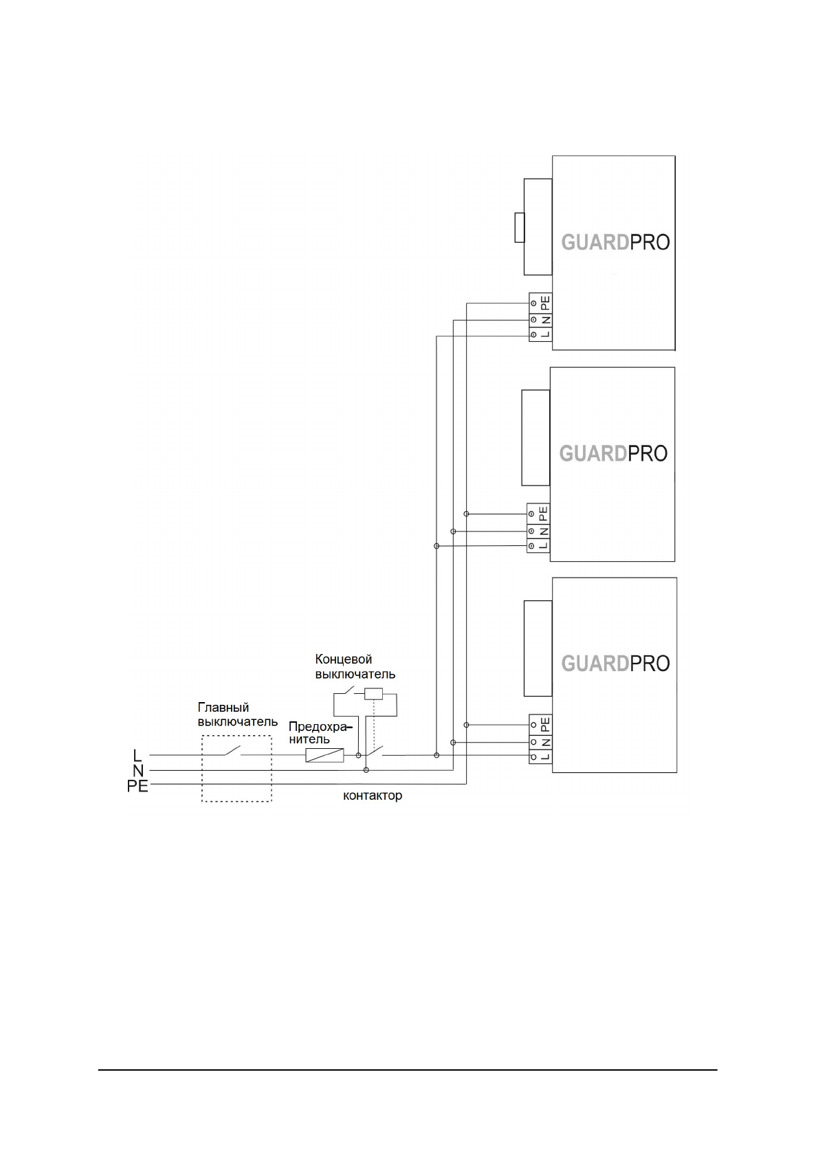
7.1 C

хема

 

подключения

 

завес

 GUARD

PRO

 W  

и

 GUARD

PRO

 

С

  

с

 

помощью

 

вводного

 

автомата

 

и

 

концевого

 

выключателя

 DOORSTOP. 

 

 

 
 
 
 
 
 

 
 
 
 
 
 
 
 
 
 
 
 

Полезные видео

Характеристики

Оцените статью
tehnopanorama.ru
Остались вопросы?

Не нашли свой ответ в руководстве или возникли другие проблемы? Задайте свой вопрос в форме ниже с подробным описанием вашей ситуации, чтобы другие люди и специалисты смогли дать на него ответ. Если вы знаете как решить проблему другого человека, пожалуйста, подскажите ему :)

Задать вопрос

Часто задаваемые вопросы
Как посмотреть инструкцию к sonniger PTC, GUARDPRO 150E CGP0032?
Необходимо подождать полной загрузки инструкции в сером окне на данной странице
Руководство на русском языке?
Все наши руководства представлены на русском языке или схематично, поэтому вы без труда сможете разобраться с вашей моделью
Как скопировать текст из PDF?
Чтобы скопировать текст со страницы инструкции воспользуйтесь вкладкой "HTML"