Обогреватели sonniger GUARD200W CG0021 - инструкция пользователя по применению, эксплуатации и установке на русском языке. Мы надеемся, она поможет вам решить возникшие у вас вопросы при эксплуатации техники.
Если остались вопросы, задайте их в комментариях после инструкции.
"Загружаем инструкцию", означает, что нужно подождать пока файл загрузится и можно будет его читать онлайн. Некоторые инструкции очень большие и время их появления зависит от вашей скорости интернета.

Руководство по эксплуатации и монтажу завес GUARD v 201709
www.sonniger.com
13
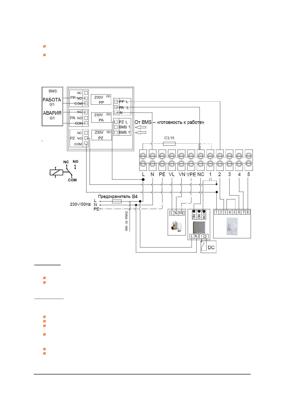
Монтаж завес GUARD на основе коммуникационного модуля BMS
Модуль коммуникации BMS позволяет контролировать работу завес GUARD (РАБОТА/АВАРИЯ) и
включать/выключать завесы от основного модуля BMS.
При использовании цифровых сигналов 0/1 (потенциальный свободный контакт) BMS SONNIGER может работать
с любым основным протоколом BMS без необходимости преобразования сигнала.
8.6
Схема подключения GUARD 100-150-200 W и C с модулем BMS
Сигналы BMS
PZ „ГОТОВНОСТЬ К РАБОТЕ”
Цифровой сигнал „1” от BMS (контакт замкнут) - завеса готова к работе
Цифровой сигнал „0” от BMS (контакт разомкнут) – завеса отключена.
СИГНАЛЫ BMS - МОНИТОРИНГ РАБОТЫ ЗАВЕСЫ (Внимание - переключатель ON/OFF на панели COMFORT в положении
ON, сигнал «готовность к работе»):
PP „РАБОТА”
Цифровой сигнал «1» (контакт замкнут) - дверь открыта
Цифровой сигнал «0» (контакт разомкнут) - дверь закрыта
Если контактор не используется - после подачи сигнала «РАБОТА» завеса будет работать непрерывно по сигналу
термостата - цифровой сигнал «1» (контакт замкнут)
Когда завеса выключается по сигналу термостата - сигнал «0» (контакт разомкнут)
PA „АВАРИЯ”
При корректной работе завесы - цифровой сигнал «0» (контакт разомкнут)
После срабатывания плавкого предохранителя C3,15 - цифровой сигнал «1» - отказ завесы (контакт замкнут)













