Обогреватели СИБРТЕХ ИН-2002, 230В, 2000 Вт 96458 - инструкция пользователя по применению, эксплуатации и установке на русском языке. Мы надеемся, она поможет вам решить возникшие у вас вопросы при эксплуатации техники.
Если остались вопросы, задайте их в комментариях после инструкции.
"Загружаем инструкцию", означает, что нужно подождать пока файл загрузится и можно будет его читать онлайн. Некоторые инструкции очень большие и время их появления зависит от вашей скорости интернета.

11
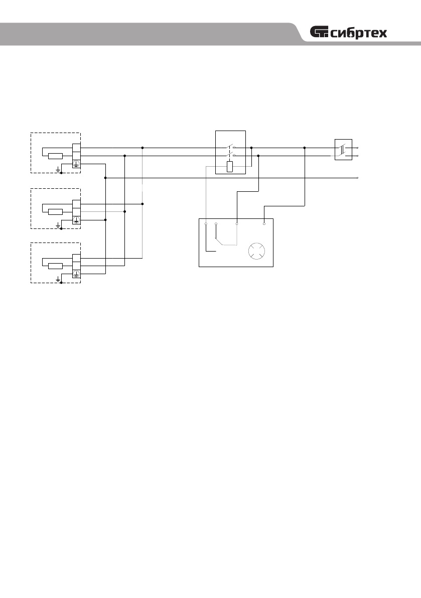
ИНФРАКРАСНЫЙ ОБОГРЕВАТЕЛЬ
QF1
Терморегулятор
~230B
EK1, EK2, EK3 -
нагревательные элементы
;
XT1, XT2, XT3 -
клеммные колодки
;
КМ
1 -
пускатель магнитный
;
QF1 -
выключатель автоматический
.
L
КМ
1
PE
Схема электрическая принципиальная инфракрасных обогревателей
IH-0.6, IH-0.8, IH-1.0
при групповом подключении
к электрической сети
.
N
t
Å
10
20
30
1 2
L
N
NC
С
NO
XT2
L
N
N
L
L
N
ЕК
2
ЕК
1
ЕК
3
XT1
XT3
PDF created with pdfFactory Pro trial version
www.pdffactory.com
СХЕМА ПОДКЛЮЧЕНИЯ ОБОГРЕВАТЕЛЕЙ К СТАЦИОНАРНОЙ ПРОВОДКЕ ЧЕРЕЗ ТЕР-
МОРЕГУЛЯТОР
Рисунок 4.
Схема электрическая принципиальная инфракрасных обогревателей ИН-
802, ИН-1502 при групповом подключении к электрической сети.
Обогреватель ИН-2002 подключается аналогично.












