Обогреватели SIAL KID 30 A 20821008 - инструкция пользователя по применению, эксплуатации и установке на русском языке. Мы надеемся, она поможет вам решить возникшие у вас вопросы при эксплуатации техники.
Если остались вопросы, задайте их в комментариях после инструкции.
"Загружаем инструкцию", означает, что нужно подождать пока файл загрузится и можно будет его читать онлайн. Некоторые инструкции очень большие и время их появления зависит от вашей скорости интернета.

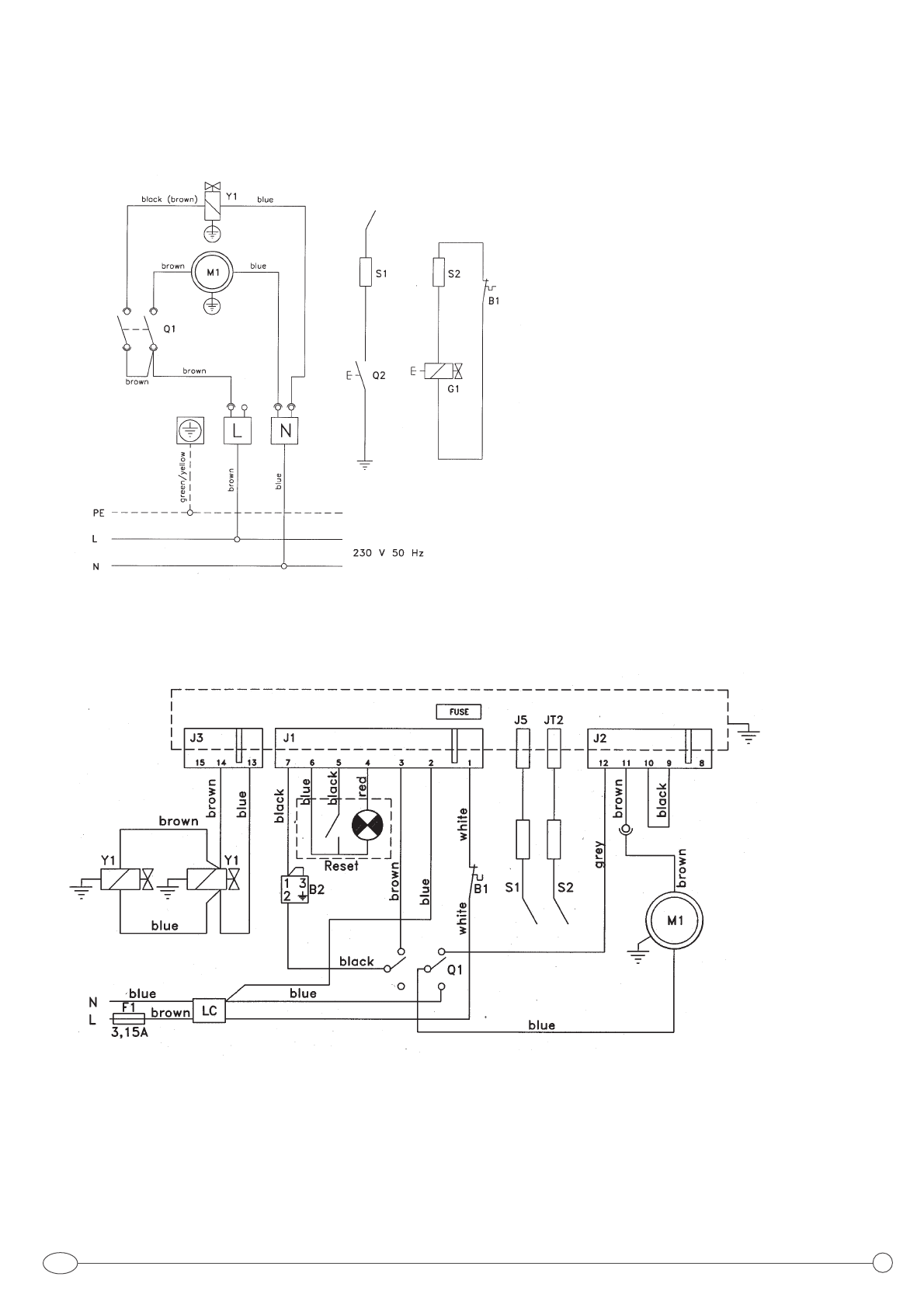
ЭЛЕКТРИЧЕСКИЕ СХЕМЫ
B1
M1
Предохранительныйтермостат
Газовыйклапан
Мотор
Выключатель
Пьезоэлектрическийзажигатель
Электрод зажигания
Термопара
Электроклапан
G1
Q1
Q2
S1
S2
Y1
blue-
, brown-
, green-
red-
white-
синийкоричневыйзеленый
,
красный
,
белый
RU
15
B1
В
M1
Предохранительныйтермостат
Комнатныйтермостат
Мотор
Выключатель
Ионизирующийщуп
Термопара
Электроклапан
Предохранитель
Фильтр LC
2
Q1
S1
S2
Y1
F1
LC
KID 10 / KID 15 / KID 30M / KID 40M KID 60M / KID 80M
/
KID 30A / KID 40A / KID 60A / KID 80A
www.sial.ru
Содержание
- 4 необходимо отсоединить
- 5 ТЕХНИЧЕСКИЕ ХАРАКТЕРИСТИКИ; ДОПОЛНИТЕЛЬНЫЕ ХАРАКТЕРИСТИКИ
- 6 ЭЛЕКТРИЧЕСКИЕ СХЕМЫ













