Обогреватели Royal Clima RIH-R1000S - инструкция пользователя по применению, эксплуатации и установке на русском языке. Мы надеемся, она поможет вам решить возникшие у вас вопросы при эксплуатации техники.
Если остались вопросы, задайте их в комментариях после инструкции.
"Загружаем инструкцию", означает, что нужно подождать пока файл загрузится и можно будет его читать онлайн. Некоторые инструкции очень большие и время их появления зависит от вашей скорости интернета.

13
СХЕмЫ ПОДКЛючЕНИЯ ОБОГРЕВАТЕЛЯ
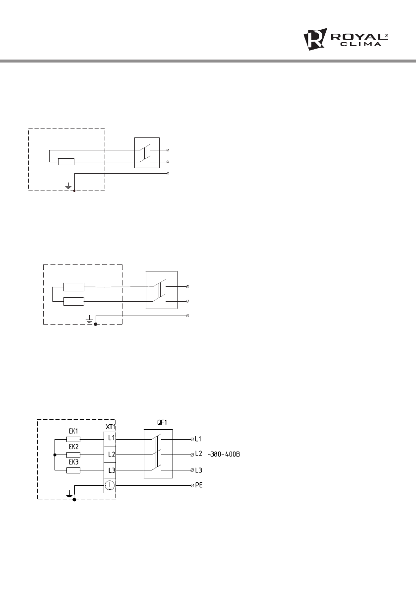
14. СХЕМЫ ПОДКЛЮЧЕНИЯ ОБОГРЕВАТЕЛЯ
Рисунок 4
Рисунок 5
Рисунок 6
Для моделей RIH-R800S, RIH-R1000S
Для моделей RIH-R2000S
Для моделей RIH-R3000S, RIH-R4000S
QF1
L
N
~220-230B
PE
ЕК1
EK1 - нагревательный
элемент;
S1 - выключатель
автоматический
ЕК1; ЕК2 - нагревательные
элементы
QF1 - выключатель
автоматический.
PDF created with pdfFactory Pro trial version
www.pdffactory.com
QF1
L
N
PE
~230В
ЕК1
ЕК2
ЕК1, EK2, EK3 -
нагревательные элементы;
XT1 - клеммная колодка;
QF1 - выключатель
автоматический













