Обогреватели Ресанта ИКО-2000 - инструкция пользователя по применению, эксплуатации и установке на русском языке. Мы надеемся, она поможет вам решить возникшие у вас вопросы при эксплуатации техники.
Если остались вопросы, задайте их в комментариях после инструкции.
"Загружаем инструкцию", означает, что нужно подождать пока файл загрузится и можно будет его читать онлайн. Некоторые инструкции очень большие и время их появления зависит от вашей скорости интернета.
Загружаем инструкцию

12
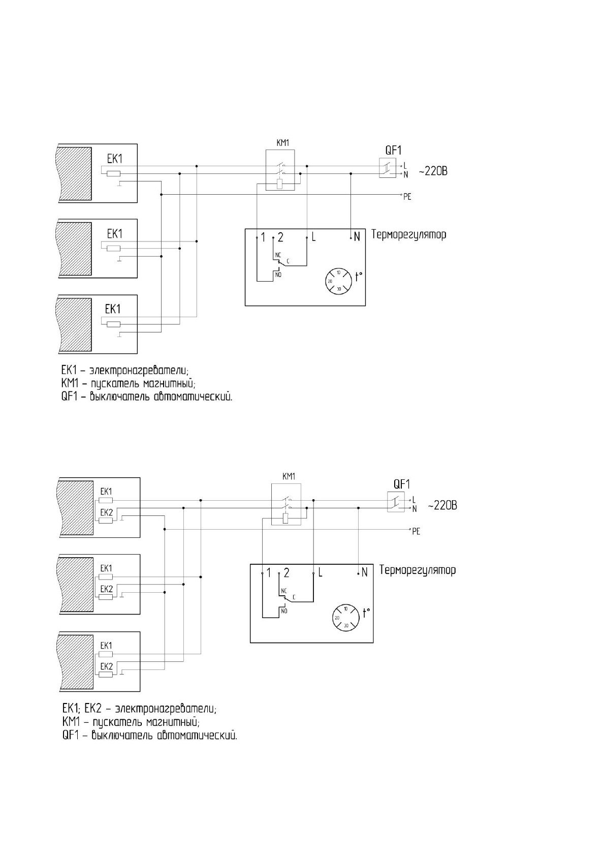
СХЕМЫ ПОДКЛЮЧЕНИЯ ОБОГРЕВАТЕЛЕЙ К СТАЦИОНАРНОЙ ПРОВОДКЕ ЧЕРЕЗ
ТЕРМОРЕГУЛЯТОР
Рисунок 4. Обогреватели
ИКО-800; ИКО-1000; ИКО-1500
Рисунок 5. Обогреватель ИКО-2000
Содержание
- 3 ПРАВИЛА БЕЗОПАСНОСТИ; перерыве в работе отключите прибор от электросети.
- 7 * При длительном нахождении в зоне обогрева.
- 8 ПОДКЛЮЧЕНИЕ ОБОГРЕВАТЕЛЕЙ; через клеммную колодку.; ПОДКЛЮЧЕНИЕ ОБОГРЕВАТЕЛЕЙ К ЭЛЕКТРИЧЕСКОЙ СЕТИ; снять; УСТАНОВКА ТЕРМОРЕГУЛЯТОРА*
- 10 УХОД И ОБСЛУЖИВАНИЕ; настоящем руководстве.; ЕСЛИ ОТСУТСТВУЕТ ИЗЛУЧАЕМОЕ ТЕПЛО; Не работает разъединитель (выключатель). Проверить срабатывание; СРОК ЭКСПЛУАТАЦИИ
- 11 Представленная; СЕРТИФИКАЦИЯ
- 13 Рисунок 4. Обогреватели
- 16 обогреватели 5 лет, при условии соблюдения правил эксплуатации.; ГАРАНТИЙНЫЕ ОБЯЗАТЕЛЬСТВА
- 17 ФИО и подпись покупателя; ГАРАНТИЙНЫЙ ТАЛОН ГАРАНТИЙНЫЙ ТАЛОН ГАРАНТИЙНЫЙ ТАЛОН
Характеристики
Остались вопросы?Не нашли свой ответ в руководстве или возникли другие проблемы? Задайте свой вопрос в форме ниже с подробным описанием вашей ситуации, чтобы другие люди и специалисты смогли дать на него ответ. Если вы знаете как решить проблему другого человека, пожалуйста, подскажите ему :)
Часто задаваемые вопросы
Как посмотреть инструкцию к Ресанта ИКО-2000?
Необходимо подождать полной загрузки инструкции в сером окне на данной странице
Руководство на русском языке?
Все наши руководства представлены на русском языке или схематично, поэтому вы без труда сможете разобраться с вашей моделью
Как скопировать текст из PDF?
Чтобы скопировать текст со страницы инструкции воспользуйтесь вкладкой "HTML"