Обогреватели Ресанта ИКО-1500T 67/5/5 - инструкция пользователя по применению, эксплуатации и установке на русском языке. Мы надеемся, она поможет вам решить возникшие у вас вопросы при эксплуатации техники.
Если остались вопросы, задайте их в комментариях после инструкции.
"Загружаем инструкцию", означает, что нужно подождать пока файл загрузится и можно будет его читать онлайн. Некоторые инструкции очень большие и время их появления зависит от вашей скорости интернета.

13
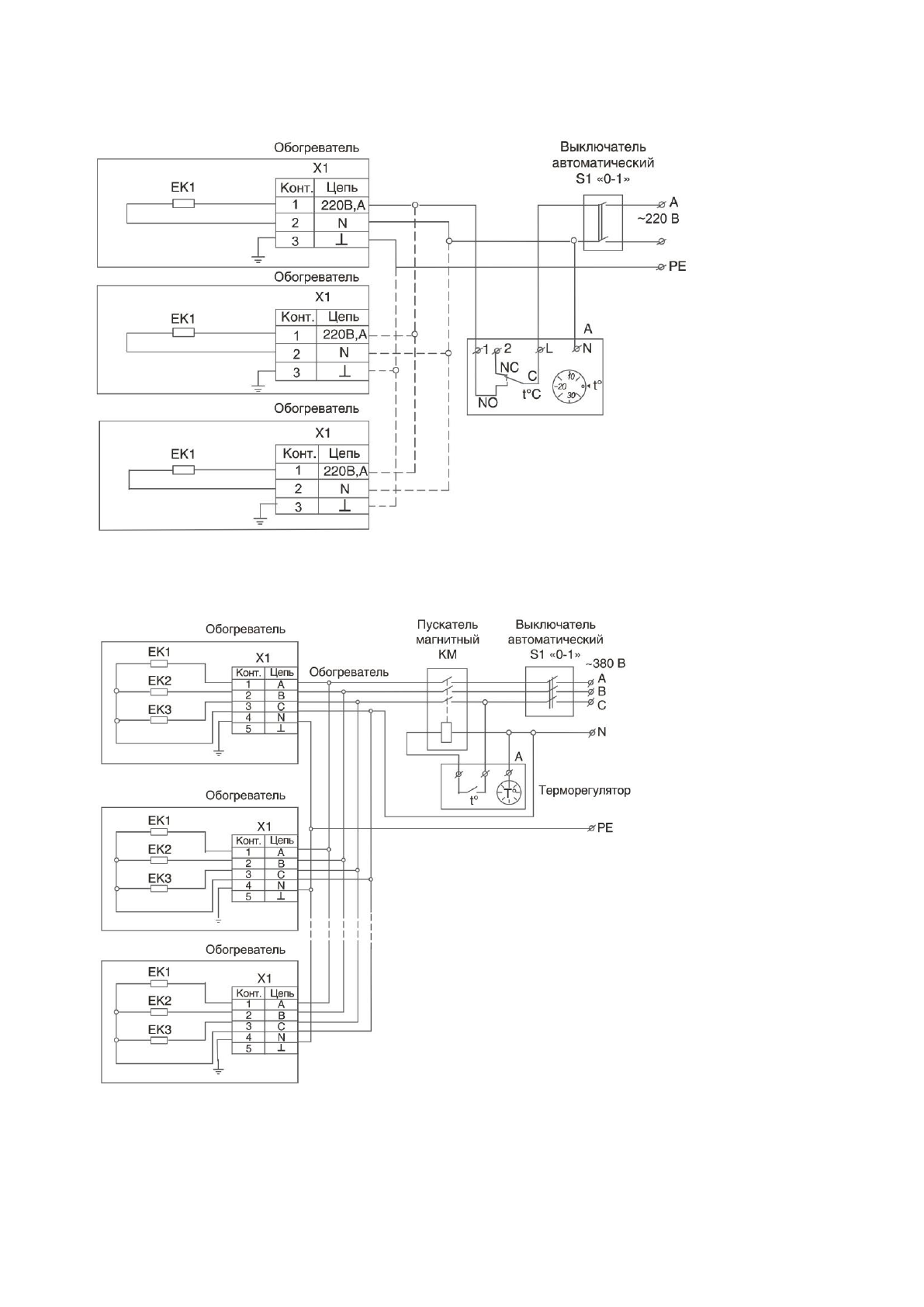
СХЕМЫ ПОДКЛЮЧЕНИЯ ОБОГРЕВАТЕЛЕЙ К СТАЦИОНАРНОЙ ПРОВОДКЕ ЧЕРЕЗ
ТЕРМОРЕГУЛЯТОР
Рисунок 4. Обогреватели
ИКО-1000Т; ИКО-1500Т; ИКО-2000Т
ПРИМЕЧАНИЕ:
Выключатель, терморегулятор в комплект поставки не входят.
Рисунок 5. Обогреватель ИКО-3000Т
ПРИМЕЧАНИЕ:
Выключатель, пускатель магнитный, терморегулятор в комплект
поставки не входят.
Содержание
- 4 ПРАВИЛА БЕЗОПАСНОСТИ
- 5 УСТРОЙСТВО ИНФРАКРАСНОГО ОБОГРЕВАТЕЛЯ; Несущая конструкция состоит из корпуса,
- 6 ТЕХНИЧЕСКИЕ ХАРАКТЕРИСТИКИ
- 7 КОМПЛЕКТАЦИЯ; ПОДГОТОВКА К РАБОТЕ
- 8 Для комфортного пребывания людей в жилых, офисных и рабочих; * При длительном нахождении в зоне обогрева.
- 9 ПОДКЛЮЧЕНИЕ ОБОГРЕВАТЕЛЕЙ; через клеммную колодку.
- 11 Инфракрасный обогреватель ИКО-1000Т; ЭКСПЛУАТАЦИЯ ПРИБОРА; излучать инфракрасные лучи и обогревать предметы и тела.; УХОД И ОБСЛУЖИВАНИЕ; в настоящем руководстве.
- 12 СРОК ЭКСПЛУАТАЦИИ; ТРАНСПОРТИРОВКА И ХРАНЕНИЕ; ПРАВИЛА УТИЛИЗАЦИИ
- 13 СЕРТИФИКАЦИЯ; СХЕМЫ ПОДКЛЮЧЕНИЯ ОБОГРЕВАТЕЛЕЙ; СХЕМЫ ПОДКЛЮЧЕНИЯ ОБОГРЕВАТЕЛЕЙ К СТАЦИОНАРНОЙ ПРОВОДКЕ
- 14 Рисунок 4. Обогреватели
- 17 обогреватели 5 лет, при условии соблюдения правил эксплуатации.; ГАРАНТИЙНЫЕ ОБЯЗАТЕЛЬСТВА
- 18 ГАРАНТИЙНЫЙ ТАЛОН; ФИО и подпись покупателя