Обогреватели Ресанта ИКО-1000(Т) - инструкция пользователя по применению, эксплуатации и установке на русском языке. Мы надеемся, она поможет вам решить возникшие у вас вопросы при эксплуатации техники.
Если остались вопросы, задайте их в комментариях после инструкции.
"Загружаем инструкцию", означает, что нужно подождать пока файл загрузится и можно будет его читать онлайн. Некоторые инструкции очень большие и время их появления зависит от вашей скорости интернета.
Загружаем инструкцию

Ред.1
Рис. 9. Обогреватель ИКО-2000
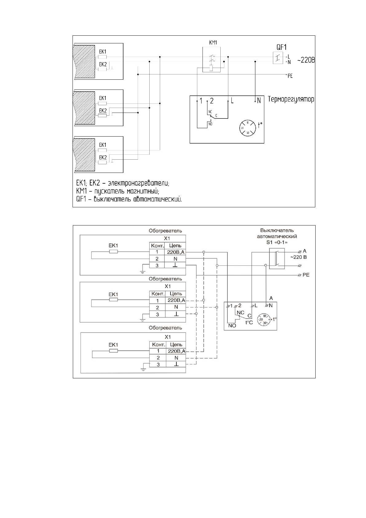
Рис. 10. Обогреватели ИКО-1000Т; ИКО-1500Т; ИКО-2000Т
*
Выключатель, терморегулятор в комплект поставки не входят.
15
Содержание
- 4 Оглавление; ВОЗМОЖНЫЕ НЕИСПРАВНОСТИ И СПОСОБЫ ИХ УСТРАНЕНИЯ 17
- 6 ПРАВИЛА БЕЗОПАСНОСТИ
- 7 КОМПЛЕКТНОСТЬ
- 10 Правила расположения обогревателя.; * При длительном нахождении в зоне обогрева.
- 12 Схемы подключения обогревателей к стационарной проводке
- 13 зажимов с заземляющей жилой кабеля стационарной проводки.; Установка терморегулятора*
- 14 Монтаж терморегулятора; после чего отключаются и не включаются до того момента, пока; Схемы подключения обогревателей к стационарной проводке
- 16 Эксплуатация прибора; из; Перед включением обогревателя, с целью исключения появления
- 17 ТЕХНИЧЕСКОЕ ОБСЛУЖИВАНИЕ; Электрообогреватели практически не нуждается в обслуживании.; ВОЗМОЖНЫЕ НЕИСПРАВНОСТИ И СПОСОБЫ ИХ УСТРАНЕНИЯ; Неисправность; деталей и обрывом цепи, обращайтесь в сервисные центры «Ресанта»
- 20 ГАРАНТИЙНЫЙ ТАЛОН; признан годным для эксплуатации.
- 21 СЕРВИСНЫЕ ЦЕНТРЫ