Обогреватели Ресанта ИКО-1000 67/5/8 - инструкция пользователя по применению, эксплуатации и установке на русском языке. Мы надеемся, она поможет вам решить возникшие у вас вопросы при эксплуатации техники.
Если остались вопросы, задайте их в комментариях после инструкции.
"Загружаем инструкцию", означает, что нужно подождать пока файл загрузится и можно будет его читать онлайн. Некоторые инструкции очень большие и время их появления зависит от вашей скорости интернета.
Загружаем инструкцию

12
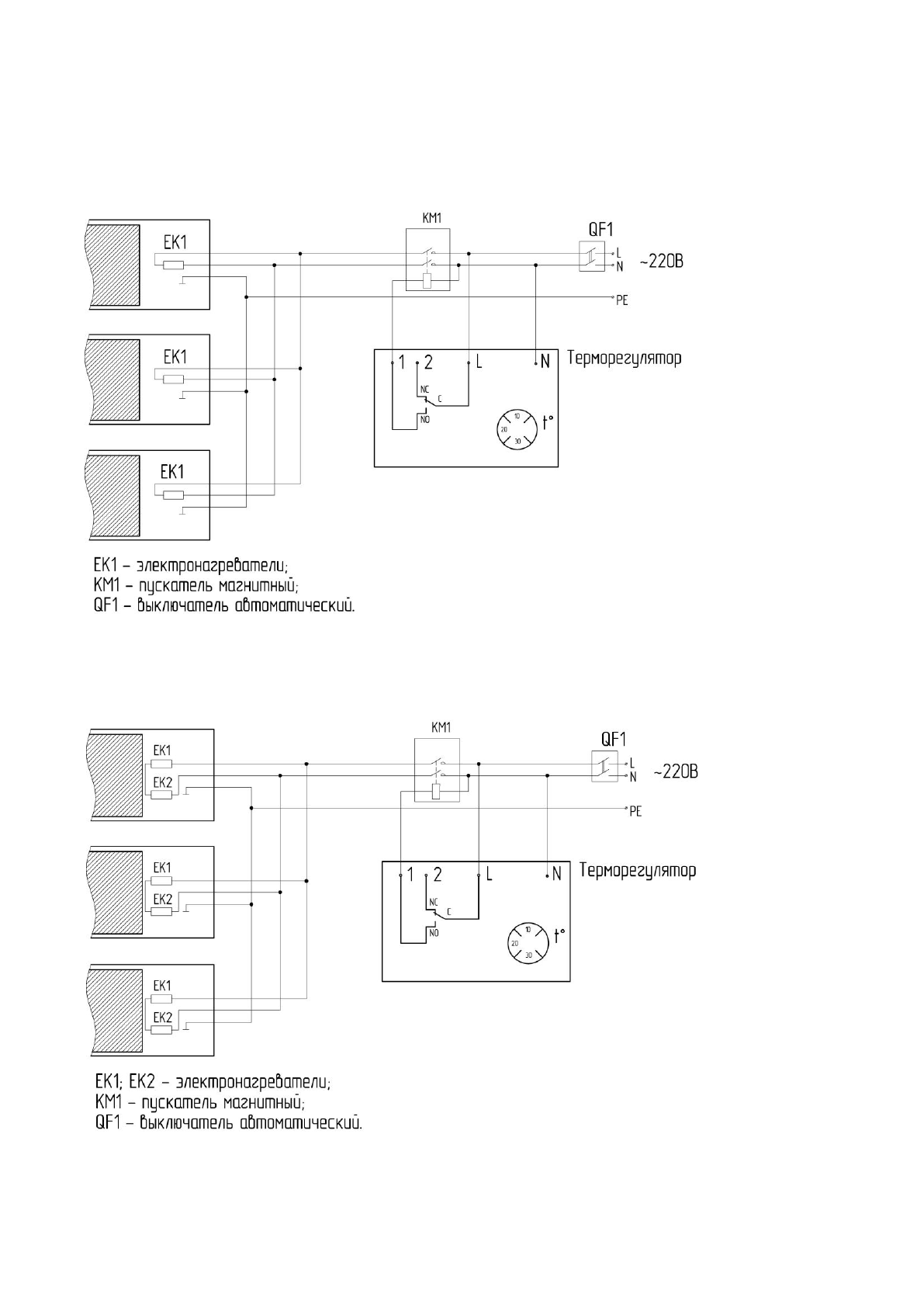
СХЕМЫ ПОДКЛЮЧЕНИЯ ОБОГРЕВАТЕЛЕЙ К СТАЦИОНАРНОЙ ПРОВОДКЕ ЧЕРЕЗ
ТЕРМОРЕГУЛЯТОР
Рисунок 4. Обогреватели
ИКО-800; ИКО-1000; ИКО-1500
Рисунок 5. Обогреватель ИКО-2000
Содержание
- 3 ПРАВИЛА БЕЗОПАСНОСТИ; перерыве в работе отключите прибор от электросети.
- 7 * При длительном нахождении в зоне обогрева.
- 8 ПОДКЛЮЧЕНИЕ ОБОГРЕВАТЕЛЕЙ; через клеммную колодку.; ПОДКЛЮЧЕНИЕ ОБОГРЕВАТЕЛЕЙ К ЭЛЕКТРИЧЕСКОЙ СЕТИ; снять; УСТАНОВКА ТЕРМОРЕГУЛЯТОРА*
- 10 УХОД И ОБСЛУЖИВАНИЕ; настоящем руководстве.; ЕСЛИ ОТСУТСТВУЕТ ИЗЛУЧАЕМОЕ ТЕПЛО; Не работает разъединитель (выключатель). Проверить срабатывание; СРОК ЭКСПЛУАТАЦИИ
- 11 Представленная; СЕРТИФИКАЦИЯ
- 13 Рисунок 4. Обогреватели
- 16 обогреватели 5 лет, при условии соблюдения правил эксплуатации.; ГАРАНТИЙНЫЕ ОБЯЗАТЕЛЬСТВА
- 17 ФИО и подпись покупателя; ГАРАНТИЙНЫЙ ТАЛОН ГАРАНТИЙНЫЙ ТАЛОН ГАРАНТИЙНЫЙ ТАЛОН