Обогреватели REDVERG RD-DHD30T 6667355 - инструкция пользователя по применению, эксплуатации и установке на русском языке. Мы надеемся, она поможет вам решить возникшие у вас вопросы при эксплуатации техники.
Если остались вопросы, задайте их в комментариях после инструкции.
"Загружаем инструкцию", означает, что нужно подождать пока файл загрузится и можно будет его читать онлайн. Некоторые инструкции очень большие и время их появления зависит от вашей скорости интернета.

Модель
Давление воздуха (бар.)
RD-DHD20Т
0,
3
2
9.5. ЭЛЕКТРИЧЕСКАЯ СИСТЕМА.
Проверьте кабели, электрические компоненты и соединения.
9.6. ТОПЛИВНЫЙ БАК.
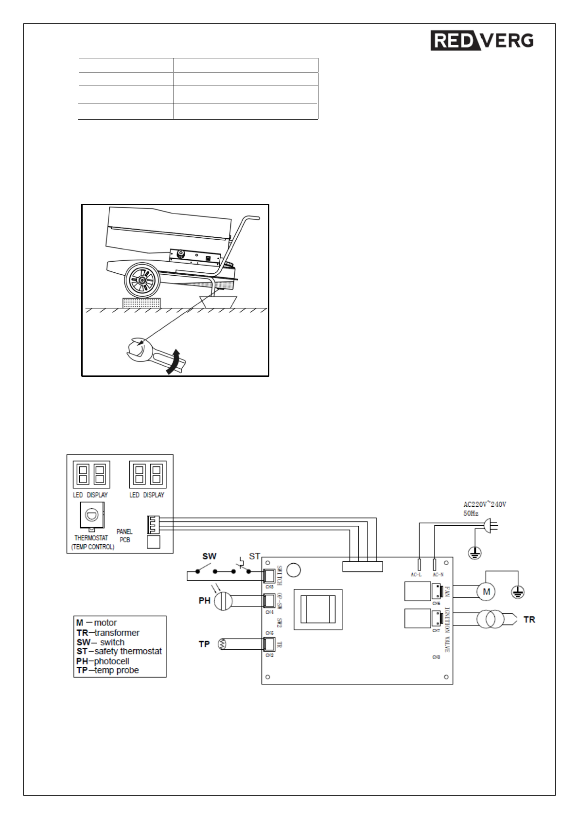
10. ПРИНЦИПИАЛЬНЫЕ СХЕМЫ.
10.1. Принципиальная схема для RD-DHD
20Т/RD-DHD30T
:
Рис.12
Если в топливном баке находятся остатки грязного
топлива или вода, очистить и опорожнить
топливный бак.
Опорожнение топливного бака (рис.12.):
•
Поставить устройство на рабочий стол и
поместить ёмкость под топливный бак;
•
С помощью гаечного ключа ослабить
сливной винт и спустить воду или остатки
грязного топлива, находящиеся в баке;
•
Снова затянуть сливной винт и очистить
бак от остатков воды и грязного топлива.
1
3
RD-DHD30Т
RD-DHD50Т
0,
31
0,
38
панель
БУП
термостат
свет.дисплей
(регулятор
температуры)
М – двигатель;
TR – трансформатор;
SW – выключатель;
ST – предохранительное
термореле;
PH – фотоэлемент;
ТР- датчик температуры
.
термостат













