REDVERG RD-DHD20T 6667353 - Инструкция по эксплуатации - Страница 14

Обогреватели REDVERG RD-DHD20T 6667353 - инструкция пользователя по применению, эксплуатации и установке на русском языке. Мы надеемся, она поможет вам решить возникшие у вас вопросы при эксплуатации техники.

Если остались вопросы, задайте их в комментариях после инструкции.

"Загружаем инструкцию", означает, что нужно подождать пока файл загрузится и можно будет его читать онлайн. Некоторые инструкции очень большие и время их появления зависит от вашей скорости интернета.
Страница:
/ 22
Загружаем инструкцию
background image

1

0.

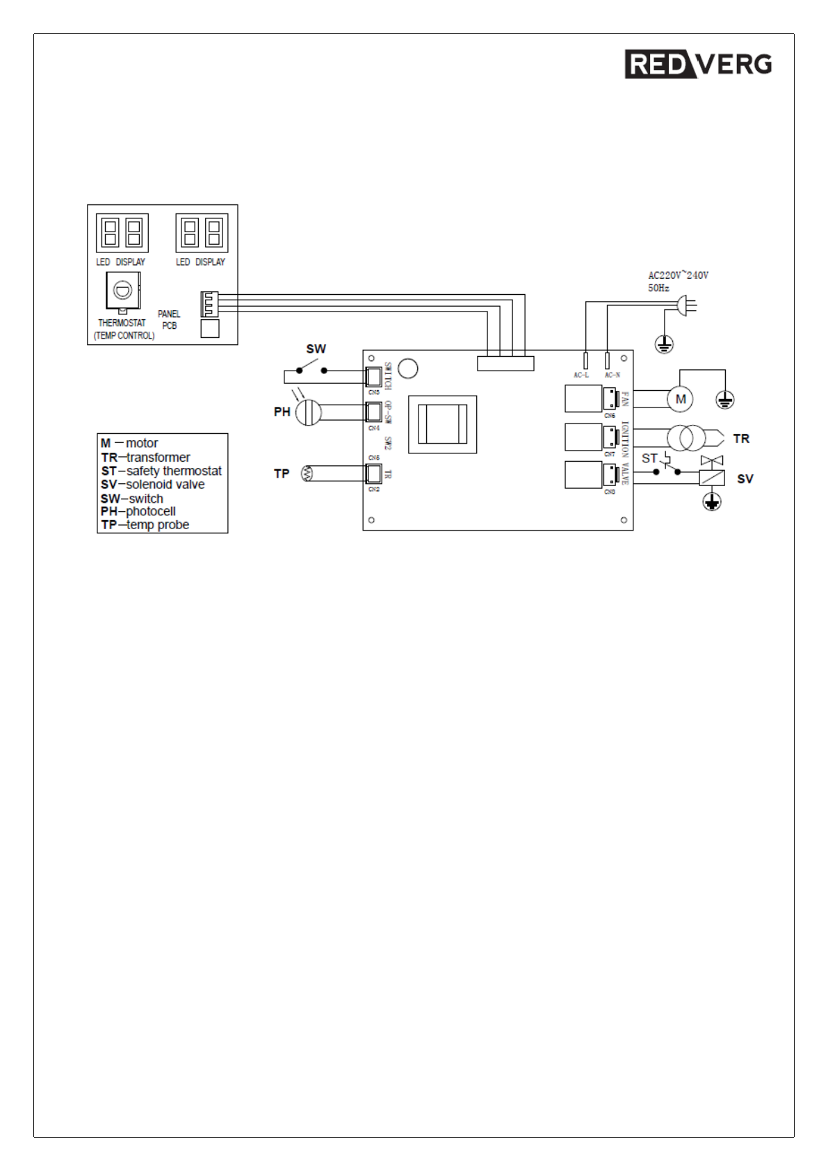
2

. Принципиальная схема для RD-DHD

50

Т

1

4

 

термостат 

(регулятор 

 температуры) 

М – двигатель; 

TR – трансформатор;

ST – предохранительное 

термореле;                               

SV-электромагнитный 

клапан;                                     

SW – выключатель;             

 

                        

PH – фотоэлемент; 

ТР- датчик температуры

.

Полезные видео

Характеристики

Оцените статью
tehnopanorama.ru
Остались вопросы?

Не нашли свой ответ в руководстве или возникли другие проблемы? Задайте свой вопрос в форме ниже с подробным описанием вашей ситуации, чтобы другие люди и специалисты смогли дать на него ответ. Если вы знаете как решить проблему другого человека, пожалуйста, подскажите ему :)

Задать вопрос

Часто задаваемые вопросы
Как посмотреть инструкцию к REDVERG RD-DHD20T 6667353?
Необходимо подождать полной загрузки инструкции в сером окне на данной странице
Руководство на русском языке?
Все наши руководства представлены на русском языке или схематично, поэтому вы без труда сможете разобраться с вашей моделью
Как скопировать текст из PDF?
Чтобы скопировать текст со страницы инструкции воспользуйтесь вкладкой "HTML"