Обогреватели Профтепло ДН-52Н 4111270 - инструкция пользователя по применению, эксплуатации и установке на русском языке. Мы надеемся, она поможет вам решить возникшие у вас вопросы при эксплуатации техники.
Если остались вопросы, задайте их в комментариях после инструкции.
"Загружаем инструкцию", означает, что нужно подождать пока файл загрузится и можно будет его читать онлайн. Некоторые инструкции очень большие и время их появления зависит от вашей скорости интернета.
Загружаем инструкцию

11
Содержание
- 2 РУКОВОДСТВО ПО ЭКСПЛУАТАЦИИ; промышленного; повреждения, нанесенные людям, а также за ущерб оборудованию.
- 3 Описание и работа дизельного теплогенератора; Назначение теплогенератора
- 4 Основные параметры и характеристики; Основные параметры теплогенераторов приведены в таблице 1.; РЕКОМЕНДАЦИИ ПО ПОДКЛЮЧЕНИЮ ДЫМОХОДА
- 5 Указания по технике безопасности
- 6 Включение; Если теплогенератор не включается, обратитесь в сервисный центр.; Выключение; Летняя вентиляция
- 7 ВНИМАНИЕ; Техническое обслуживание; Техническое обслуживание горелки; СХЕМА 1
- 9 Таблица 2
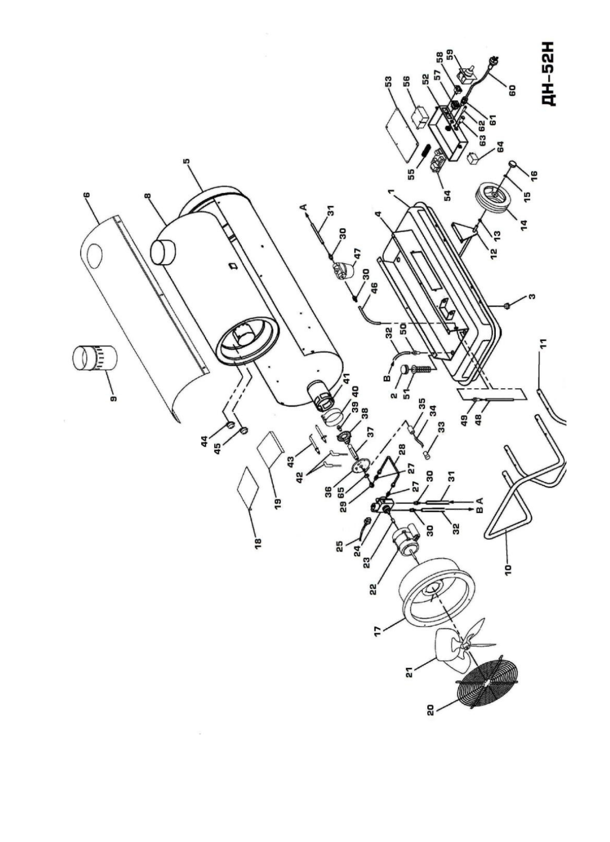
- 11 Приложение А. Внешний вид теплогенераторов
- 14 Перечень деталей к внешнему виду дизельных теплогенераторов.
- 16 Упаковочный лист для ДН-52Н; Упаковочный лист для ДН-80Н; Наименование
- 17 Свидетельство о приемке; СВИДЕТЕЛЬСТВО О ПРОДАЖЕ