Обогреватели ДЕЛСОТ ЭРГ(П)-0,75 - инструкция пользователя по применению, эксплуатации и установке на русском языке. Мы надеемся, она поможет вам решить возникшие у вас вопросы при эксплуатации техники.
Если остались вопросы, задайте их в комментариях после инструкции.
"Загружаем инструкцию", означает, что нужно подождать пока файл загрузится и можно будет его читать онлайн. Некоторые инструкции очень большие и время их появления зависит от вашей скорости интернета.

8
ГАРАНТИИ
ИЗГОТОВИТЕЛЯ
8.1
Изготовитель
гарантирует
соответствие
электрообогревателя
требованиям
технических
условий
при
соблюдении
потребителем
условий
эксплуатации
,
хранения
и
транспортирования
.
8.2
Гарантийный
срок
хранения
изделия
в
упаковке
–
1
год
.
8.3
Гарантийный
срок
эксплуатации
–
1
год
с
момента
продажи
электрообогревателя
.
Гарантийный
срок
исчисляется
со
дня
изготовления
электрообогревателя
,
если
день
его
продажи
установить
невозможно
.
В
течении
гарантийного
срока
изготовитель
в
отношении
недостатков
электрообогревателя
удовлетворяет
требования
потребителя
в
соответствии
с
действующим
законодательством
,
при
условии
соблюдения
потребителем
правил
эксплуатации
,
хранения
,
транспортирования
и
предъявлении
документов
,
подтверждающих
факт
и
условия
покупки
обогревателя
.
9
СВИДЕТЕЛЬСТВО
О
ПРИЁМКЕ
Электрообогреватель
ЭРГ
(
п
)
-
______
ДЕЛСОТ
соответствует
ТУ
3468-026-12589972-
2008
и
признан
годным
к
эксплуатации
.
Представитель
ОТК
________________
Дата
выпуска
«____» ___ _____ 201 ___
г
.
Продан
___________________________
Дата
продажи
________________________
(
наименование
торговой
организации
,
печать
)
Штамп
торгующей
организации
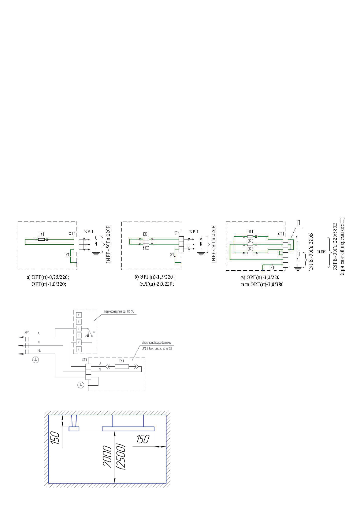
Рисунок
2 –
Электрические
схемы
электрообогревателей
Расшифровка
условных
обозначений
:
EK
–
нагреватель
;
XT1
–
колодка
клеммная
;
X1
–
элемент
конструкции
заземления
.
П
–
перемычка
.
ХР
1 –
кабель
с
вилкой
с
боковыми
заземляющими
контактами
(
заказчиком
приобретается
самостоятельно
).
Примечание
-
электрообогреватели
ЭРГ
(
п
)
-
3,0
нельзя
подключать
к
электросети
с
помощью
терморегуляторов
.
Рисунок
3
-
Эл
.
схема
подключения
электрообогревателя
с
терморегулятором
Примечание
-
размер
в
скобках
указан
для
ЭРГ
(
п
)
-
2,0,
ЭРГ
(
п
)
- 3,0
Рисунок
4 –
Схема
установки
электрообогревателя
на
потолке
(
указаны
минимальные
расстояния
)