Обогреватели OASIS IV-18 /D/ 4640039486435 - инструкция пользователя по применению, эксплуатации и установке на русском языке. Мы надеемся, она поможет вам решить возникшие у вас вопросы при эксплуатации техники.
Если остались вопросы, задайте их в комментариях после инструкции.
"Загружаем инструкцию", означает, что нужно подождать пока файл загрузится и можно будет его читать онлайн. Некоторые инструкции очень большие и время их появления зависит от вашей скорости интернета.

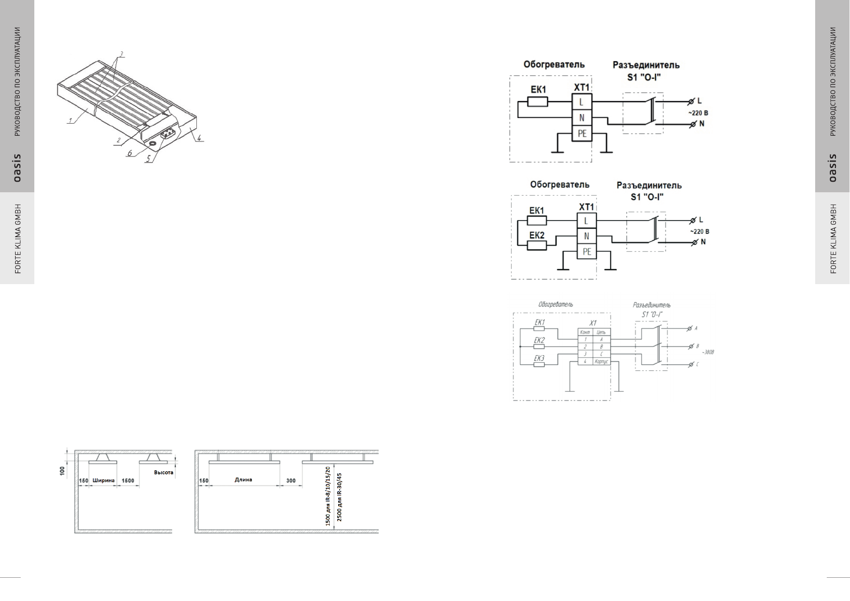
Устройство инфракрасного обогревателя
Корпус (1) обогревателя изготовлен из оцинкованной листовой стали. В корпусе установлена
алюминиевая излучающая панель (3), внутри которой находится трубчатый
электронагреватель (2). В отсеке под съемной крышкой (4) находится клеммная колодка (5)
для подключения к стационарной электропроводке. Для ввода в обогреватель проводов
питания и защитного заземления в корпусе предусмотренного отверстие, в котором
установлен кабельный ввод (6). Под излучающей панелью установлен теплоотражающий
экран и прокладка для теплоизоляции стенок корпуса.
1- Корпус;
2- Электронагреватель;
3 - Излучающая панель;
4 - Крышка;
5 - Клеммная колодка;
6 - Кабельный ввод.
Принцип работы обогревателей
Главное отличие инфракрасных обогревателей от традиционных конвективных систем
обогрева в том, что воздух в помещении не используется в качестве теплоносителя и для
создания комфортного температурного режима не обязательно прогревать весь объем
воздуха в помещении.
При подаче напряжения электронагреватель нагревает алюминиевую панель, которая
начинает излучать инфракрасные волны. Инфракрасные волны не поглощаются воздухом,
поэтому практически вся тепловая энергия обогревателя без потерь передается
поверхностям стен, предметов, пола, находящихся в зоне обогрева. Тепло, выделяющееся
с нагретых поверхностей, в свою очередь нагревает воздух в помещении.
В связи с этим инфракрасные обогреватели имеют ряд значительных преимуществ перед
конвективными системами обогрева, особенно при необходимости местного обогрева
(прибор, предмет, рабочее место) и высоких потолках помещения.
Монтаж прибора
Для IR-8, IR-10, IR-15
Схема подключения
Перед проведением монтажных работ необходимо внимательно ознакомиться
с требованиями настоящего Руководства.
К монтажу и подключению обогревателя допускается специально подготовленный персонал,
имеющий допуск на проведение работ с электрооборудованием, ознакомленный с настоящим
Руководством.
При монтаже и подключении обогревателя необходимо учитывать требования безопасности,
изложенные в Руководстве.
Последовательность монтажа обогревателя:
– перевернуть обогреватель излучающей панелью вниз;
– закрепить карабины в монтажных отверстиях корпуса;
– подвесить и закрепить обогреватель на крепежных элементах (в комплект не входят).
4
5
Для IR-20 и IR-30
Для IR-45
Внимание! При монтаже не кладите обогреватель излучающей панелью на грязные, жирные
или маслянистые поверхности, не касайтесь панелей жирными руками.
Жирные пятна на поверхности панели не допускаются.
Примечание: При подборе крепежных элементов необходимо учесть, что допускаемая нагрузка
на крепежный элемент должна быть в 2,5 раза больше массы обогревателя.