Обогреватели MasterYard MH 12G - инструкция пользователя по применению, эксплуатации и установке на русском языке. Мы надеемся, она поможет вам решить возникшие у вас вопросы при эксплуатации техники.
Если остались вопросы, задайте их в комментариях после инструкции.
"Загружаем инструкцию", означает, что нужно подождать пока файл загрузится и можно будет его читать онлайн. Некоторые инструкции очень большие и время их появления зависит от вашей скорости интернета.

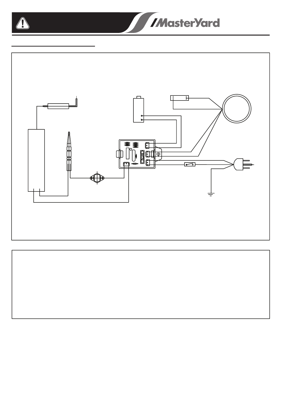
Схема
электрооборудования
Стр
. 6
ЗАПРЕЩАЕТСЯ
ОСТАВЛЯТЬ
РАБОТАЮЩИЙ
НАГРЕВАТЕЛЬ
БЕЗ
ПРИСМОТРА
,
А
ТАКЖЕ
ПОДКЛЮЧЕННЫМ
К
СЕТИ
ПИТАНИЯ
И
ТОПЛИВНОМУ
БАЛЛОНУ
МОТОР
КОНДЕНСАТОР
Белый
Синий
земля
желтый
КОНТРОЛЬНЫЙ
КЛАПАН
ЗАПАЛЬНИК
РЕЛЕ
ШТЕПСЕЛЬ
земля
(
КОРПУС
)
ТЕРМОПАРА
Соленоид
P/cord
Mo
тор
fuse
СОЛЕНОИД
Синий
ВЫКЛЮЧАТЕЛЬ
Красный
Красный
Белый
Черный
Белый
Черный
Зеленый
ПРИМЕЧАНИЕ
:
при
замене
провода
используйте
AWG 105,
если
не
указан
другой
Рис
4.
Схема
электрооборудования
ЭЛЕКТРООБОРУДОВАНИЕ
И
СЕТЬ
ПИТАНИЯ
•
Выполните
проверку
электрооборудования
перед
на
чалом
эксплуатации
.
•
Проверьте
состояние
шнуров
питания
,
штепселя
и
других
компонентов
.
•
Убедитесь
,
что
с
устройством
используются
соответствующие
защитные
приборы
,
предохранители
.
•
Проверьте
состояние
изоляции
.
•
Убедитесь
,
что
провода
защищены
от
короткого
замыкания
и
перегрузки
.
•
Не
тяните
и
не
переносите
прибор
за
шнур
питания
.
•
Не
вытягивайте
штепсель
из
розетки
за
шнур
.
•
Не
используйте
поврежденные
провода
,
штепселя
.
Соблюдайте
правила
технического
обслуживания
.
Ежемесячно
выполняйте
очистку
внутренней
поверхности
нагревателя
и
проверяйте
зазор
электродов
свечи
зажигания
не
реже
одного
раза
в
сезон
.
Газовые
тепловые
нагреватели
Содержание
- 2 ОПАСНО; Газовые
- 4 Рис; Подсоединение; Средняя; аблица
- 5 OFF; Шланг
- 6 Стр; Белый; КОНТРОЛЬНЫЙ; РЕЛЕ; Схема
- 7 Список; Наименование
- 8 Устранение












