Обогреватели Loriot LTZ-9.0 T - инструкция пользователя по применению, эксплуатации и установке на русском языке. Мы надеемся, она поможет вам решить возникшие у вас вопросы при эксплуатации техники.
Если остались вопросы, задайте их в комментариях после инструкции.
"Загружаем инструкцию", означает, что нужно подождать пока файл загрузится и можно будет его читать онлайн. Некоторые инструкции очень большие и время их появления зависит от вашей скорости интернета.

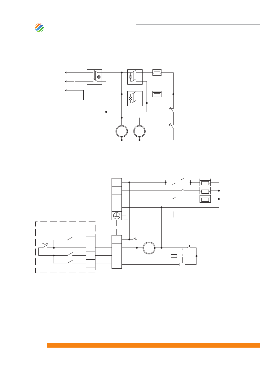
Схема электрическая LTZ-3.0 T
Схема электрическая LTZ-6.0 T, LTZ-9.0 T
ПРИЛОЖЕНИЕ 2
SA1 - ñåòåâîé âûêëþ÷àòåëü;
SA2 - âûêëþ÷àòåëü íàãðåâàòåëåé;
EK1,EK2 - ýëåêòðîíàãðåâàòåëü;
SK1,SK2 - çàùèòíûé òåðìîñòàò;
M1,M2 - ýëåêòðîíàãðåâàòåëü.
ÅÊ1,ÅÊ2, ÅÊ3 - ýëåêòðîíàãðåâàòåëü;
ÊÌ1, ÊÌ2
–
ýëåêòðîìàãíèòíîå ðåëå;
Ì1
–
ýëåêòðîäâèãàòåëü;
SK1
–
çàùèòíûé òåðìîñòàò áåç àâòîâîçâðàòà;
SK2
–
òåðìîñòàò çàäåðæêè âûêëþ÷åíèÿ äâèãàòåëåé;
ÕÒ1, ÕÒ2 - êîëîäêà êëåììíàÿ;
SA1
–
ñåòåâîé âûêëþ÷àòåëü;
SA2, SA3
–
âûêëþ÷àòåëè ðåæèìîâ íàãðåâà;
SK3
–
òåðìîðåãóëÿòîð.
20
www.loriot.ru +7 (499) 281 62 00
Воздушные электрические тепловые завесы
LORIOT LTZ-3.0 T, LTZ-6.0 T, LTZ-9.0 T
EK1
SA2.2
SA1
SA2
EK2
~220-230B
PE
N
L
M
~
M1
M
~
M2
SK1
SK2
L1
L2
ÕÒ1
L3
N
1
2
3
4
EK2
K3
K2
EK3
EK1
K 1.1
KÌ1.1
KÌ2.1
SK1
SK2
KÌ11.2
KÌ2.2
SA1
SK3
SA2
SA3
1
2
4
3
ÕÒ2
M
~
M1
~380-400B
Ïóëüò óïðàâëåíèÿ













