Обогреватели LORIOT LT-03RE - инструкция пользователя по применению, эксплуатации и установке на русском языке. Мы надеемся, она поможет вам решить возникшие у вас вопросы при эксплуатации техники.
Если остались вопросы, задайте их в комментариях после инструкции.
"Загружаем инструкцию", означает, что нужно подождать пока файл загрузится и можно будет его читать онлайн. Некоторые инструкции очень большие и время их появления зависит от вашей скорости интернета.

13
Электрическая схема тепловентиляторов LT-05RE
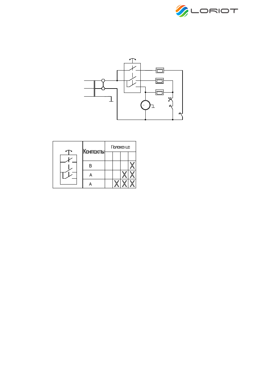
Схема электрическая принципиальная тепловентилятора Р
E-5
M1
SK3
SA1
EK1
EK2
~
2 20 - 2 3 0
В
L
N
PE
ХТ
1
SK2
M
~
EK1, EK2,
ЕК
3 -
нагревательный элемент
;
М
1 -
электродвигатель
;
SA1 -
переключатель режимов работы
;
SK1, SK2 -
защитный термостат
;
SK3 -
терморегулятор
;
ХТ
1 -
клеммная колодка
.
Схема коммутации переключателя
SA1
Контакты
Положение
1
2
3
4
В
- 3
Х
А
- 1
А
- 2
Х
Х
Х
Х
Х
EK3
SK1
~
380-400
В
L
3
L
2
L
1
N
PE
M1
M
~
EK1
EK2
SK3
KM1.2
SK2
SK1
EK3
ХТ
1
Схема электрическая принципиальная тепловентилятора Р
-9
и Р
-6
EK1, EK2,
ЕК
3 -
нагревательный элемент
;
М
1 -
электродвигатель
;
КМ
1 -
электромагнитное реле
;
SA1 -
переключатель режимов работы
;
SK1 -
терморегулятор
;
S
К
2 -
защитный термостат
;
SK3 -
термостат задержки выключения электродвигателя
;
ХТ
1 -
клеммная колодка
.
Схема коммутации переключателя
SA1
Контакты
Положение
1
2
3
4
В
- 3
Х
А
- 1
А
- 2
Х
Х
Х
Х
Х
SA1
Схема электрическая принципиальная тепловентилятора РЕ
-2
и РЕ
-3
EK1, EK2 -
нагревательный элемент
;
М
1 -
электродвигатель
;
SA1 -
переключатель режимов работы
;
SK1 -
терморегулятор
;
SK2 -
защитный термостат
.
Схема коммутации переключателя
SA1
Контакты
Положение
1
2
3
4
В
- 3
Х
А
- 1
А
- 2
Х
Х
Х
Х
Х
~
22 0 - 2 30
В
L
N
PE
SK1
EK1
EK2
M1
M
~
SK2
KM1.1
SA1
PDF created with pdfFactory Pro trial version
www.pdffactory.com