Обогреватели Loriot GH-50 - инструкция пользователя по применению, эксплуатации и установке на русском языке. Мы надеемся, она поможет вам решить возникшие у вас вопросы при эксплуатации техники.
Если остались вопросы, задайте их в комментариях после инструкции.
"Загружаем инструкцию", означает, что нужно подождать пока файл загрузится и можно будет его читать онлайн. Некоторые инструкции очень большие и время их появления зависит от вашей скорости интернета.

16
16. ПРИЛОЖЕНИЯ
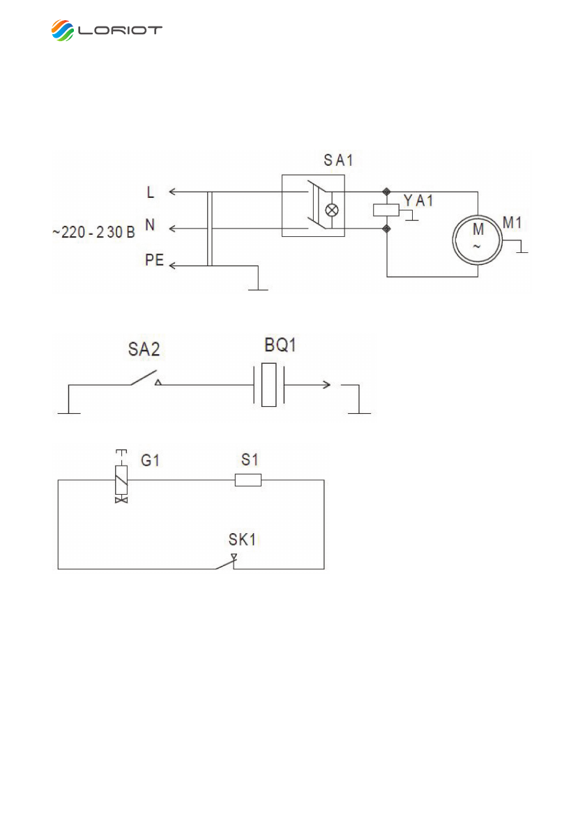
15.1 Электрическая схема
Схема электрическая принципиальная для моделей GH-10, GH-15
Цепь управления электродвигателем
Цепь зажигания
Цепь защиты от утечки газа и перегрева
SА1-cетевой выключатель;
YA1-электромагнитный клапан;
M1-электродвигатель;
SA2-пьезоэлектрический зажигатель;
BQ1-электрод зажигания; G1-клапан безопасности; S1-термопара;
SK1-защитный термостат.