Обогреватели Kalashnikov KVF-E36-32 4011000072 - инструкция пользователя по применению, эксплуатации и установке на русском языке. Мы надеемся, она поможет вам решить возникшие у вас вопросы при эксплуатации техники.
Если остались вопросы, задайте их в комментариях после инструкции.
"Загружаем инструкцию", означает, что нужно подождать пока файл загрузится и можно будет его читать онлайн. Некоторые инструкции очень большие и время их появления зависит от вашей скорости интернета.

15
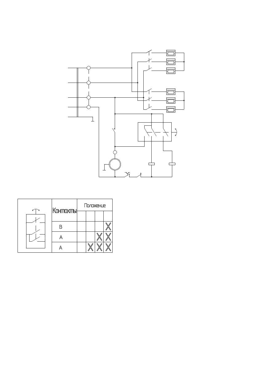
Схема электрическая принципиальная KVF-E24-32
EK1, EK2 -
нагревательный элемент
;
М
1 -
электродвигатель
;
SA1 -
переключатель режимов работы
;
SK1 -
терморегулятор
;
SK2 -
защитный термостат
.
Схема коммутации переключателя
SA1
Контакты
Положение
1
2 3 4
В
- 3
Х
А
- 1
А
- 2
Х
Х
Х
Х
Х
~
2 30
В
L
N
PE
SK1
EK1
EK2
SK2
M1
M
~
Схема электрическая принципиальная тепловентилятора НР
-2.000,
НР
-3.000 (
термостат без автовозврата
)
~
400
В
Схема электрическая принципиальная тепловентилятора НР
-9.000 (
термостат без автовозврата
)
EK1, EK2,
ЕК
3 -
нагревательный элемент
;
М
1 -
электродвигатель
;
КМ
1 -
электромагнитное реле
;
SA1 -
переключатель режимов работы
;
SK1 -
терморегулятор
;
S
К
2 -
защитный термостат
;
SK3 -
термостат задержки выключения электродвигателя
.
L
3
L
2
L
1
N
PE
M1
M
~
EK1
EK2
SK3
KM1.2
SK2
SK1
EK3
SA1
Схема коммутации переключателя
SA1
Контакты
Положение
1
2 3 4
В
- 3
Х
А
- 1
А
- 2
Х
Х
Х
Х
Х
L
3
L
2
L
1
N
PE
KM1.2
KM2.2
EK2
EK1
EK4
EK5
EK6
~
400
В
EK3
M1
M
~
SK3
SK1
Схема электрическая принципиальная тепловентилятора НР
-15.000 (
термостат без автовозврата
)
KM2.1
EK1 - EK6 -
нагревательный элемент
;
М
1 -
электродвигатель
;
КМ
1,
КМ
2 -
электромагнитный пускатель
;
SA1 -
переключатель режимов работы
;
SK1 -
терморегулятор
;
S
К
2 -
защитный термостат
;
SK3 -
термостат задержки выключения электродвигателя
.
SK2
KM1.1
Схема коммутации переключателя
SA1
Контакты
Положение
1
2 3 4
В
- 3
Х
А
- 1
А
- 2
Х
Х
Х
Х
Х
SA1
L
3
L
2
L
1
N
PE
KM1.2
KM2.2
EK2
EK1
EK4
EK5
EK6
~
400
В
EK3
M1
M
~
SK3
Схема электрическая принципиальная тепловентилятора НР
-24.000 (
термостат без автовозврата
)
EK1 - EK6 -
нагревательный элемент
;
М
1 -
электродвигатель
;
КМ
1,
КМ
2 -
электромагнитный пускатель
;
SA1 -
переключатель режимов работы
;
SK1 -
терморегулятор
;
S
К
2 -
защитный термостат
;
SK3 -
термостат задержки выключения электродвигателя
;
ХТ
1,
ХТ
2 -
клеммная колодка
.
XT1
XT2
KM2.1
SK2
KM1.1
SA1
SK1
Схема коммутации переключателя
SA1
Контакты
Положение
1
2 3 4
В
- 3
Х
А
- 1
А
- 2
Х
Х
Х
Х
Х
L
3
L
2
L
1
N
PE
KM1.2
KM2.2
EK2
EK1
EK4
EK5
EK6
~
400
В
EK3
M1
M
~
SK3
Схема электрическая принципиальная тепловентилятора НР
-30.000 (
термостат без автовозврата
)
EK1 - EK6 -
нагревательный элемент
;
М
1 -
электродвигатель
;
КМ
1,
КМ
2 -
электромагнитный пускатель
;
SA1 -
переключатель режимов работы
;
SK1 -
терморегулятор
;
S
К
2 -
защитный термостат
;
SK3 -
термостат задержки выключения электродвигателя
;
ХТ
1,
ХТ
2 -
клеммная колодка
;
С
1 -
конденсатор
.
XT1
XT2
С
1
KM2.1
SK2
KM1.1
SA1
SK1
Схема электрическая принципиальная тепловентилятора НР
-36.000 (
термостат без автовозврата
)
EK1 - EK9 -
нагревательный элемент
;
М
1 -
электродвигатель
;
КМ
1,
КМ
2,
КМ
3 -
электромагнитный пускатель
;
SA1 -
переключатель режимов работы
;
SK1 -
терморегулятор
;
S
К
2 -
защитный термостат
;
SK3 -
термостат задержки выключения электродвигателя
;
ХТ
1,
ХТ
2 -
клеммная колодка
;
С
1 -
конденсатор
.
КМ
1.2
КМ
2
.
2
КМ
3.2
ЕК
1
ЕК
2
ЕК
3
ЕК
4
ЕК
5
ЕК
6
ЕК
7
ЕК
8
ЕК
9
~400
В
PE
N
L3
L2
L1
КМ
1
.
1
КМ
2
.
1
КМ
3.1
XT2
SK2
SK1
SK3
XT1
M1
M
~
C1
Схема коммутации переключателя
SA1
Контакты
Положение
1
2 3 4
В
- 3
Х
А
- 1
А
- 2
Х
Х
Х
Х
Х
SA1
Схема коммутации переключателя
SA1
Контакты
Положение
1
2 3 4
В
- 3
Х
А
- 1
А
- 2
Х
Х
Х
Х
Х
SA1
KM1.1
PDF created with pdfFactory Pro trial version
www.pdffactory.com