Обогреватели Kalashnikov KVC-C10E6-01 104981 - инструкция пользователя по применению, эксплуатации и установке на русском языке. Мы надеемся, она поможет вам решить возникшие у вас вопросы при эксплуатации техники.
Если остались вопросы, задайте их в комментариях после инструкции.
"Загружаем инструкцию", означает, что нужно подождать пока файл загрузится и можно будет его читать онлайн. Некоторые инструкции очень большие и время их появления зависит от вашей скорости интернета.

19
L1
L2
L3
N
L
~
230V
Тепловая завеса
L1
L2
L3
N
L
~
230V
Тепловая завеса
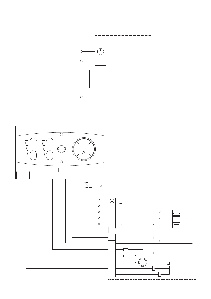
Рисунок 17. Подключение завес KVС-С10E6-01, KVC-C15E6-01 к однофазной сети
Рисунок 18. Схема электрическая принципиальная завес KVС-С10E9-31, KVС-С15E9-31, KVС-
С15E12-31, KVС-С20E12-31 и KVС-С20E18-31
SK1-
RK1
t
°
SQ1
EK1 - ЕК3 - электронагреватели;
КМ1, КМ2 - контакторы;
LED1 - индикатор работы вентиляции;
LED2 - индикатор работы нагрева;
М1 - электродвигатель;
C1 - конденсатор;
R1, R2 - нагрузка;
S1 - кнопка ВКЛ/ВЫКЛ;
SQ1 - датчик двери;
терморегулятор;
SK2 - защитный термостат без автовозврата;
ХТ1-XT4 - колодка клеммная;
SA2 - переключатель режимов вентиляции;
SA1 - переключатель режимов нагрева;
RK1- термодатчик.
ХТ1
L1
L2
L3
N
EK2
EK3
EK1
KМ1.2
Тепловая завеса
5
6
8
9
4
2
KМ2.2
ХТ2
1
R2
R1
С1
M1
~
KМ1.1
KМ2.1
SK2
*
R1 >R 2
ХТ3
ХТ4
1
2
3
4
5
6
7
8
9
NTC
DOOR
~
400V
t,
°
C
SK1
S1
LED-1
(green)
SA1
SA2
LED-2
(red)













